逆变器工作原理详解|好文必看-KIA MOS管
信息来源:本站 日期:2021-07-02
输入接口部分:
输入部分有3个信号,12V直流输入VIN、工作使能电压ENB及Panel电流控制信号DIM。VIN由Adapter提供,ENB电压由主板上的MCU提供,其值为0或3V,当ENB=0时,Inverter不工作,而ENB=3V时,Inverter处于正常工作状态;
而DIM电压由主板提供,其变化范围在0~5V之间,将不同的DIM值反馈给PWM控制器反馈端,Inverter向负载提供的电流也将不同,DIM值越小,Inverter输出的电流就越大。
电压启动回路:
ENB为高电平时,输出高压去点亮Panel的背光灯灯管。
PWM控制器:
有以下几个功能组成:内部参考电压、误差放大器、振荡器和PWM、过压保护、欠压保护、短路保护、输出晶体管。
直流变换:
由MOS开关管和储能电感组成电压变换电路,输入的脉冲经过推挽放大器放大后驱动MOS管做开关动作,使得直流电压对电感进行充放电,这样电感的另一端就能得到交流电压。
LC振荡及输出回路:
保证灯管启动需要的1600V电压,并在灯管启动以后将电压降至800V。
输出电压反馈:
当负载工作时,反馈采样电压,起到稳定Inventer电压输出的作用。
其实可以想象一下了。都有哪些电子元件需要正负极,电阻,电感一般不需要。二极管一般坏的可能就是被击穿只要电压正常一般是没有问题的,三极管的话是不会导通的。
稳压管如果正负接反的话就会损坏了,但一般有的电路加了保护就是利用二极管的单向导通来保护。在就是电容了,电容里有正负之分的就是电解电容了,如果正负接反严重的话其外壳发生爆裂。
主要元件二极管。开关管振荡变压器。取样。调宽管。还有振荡回路电阻电容等参开关电路原理。
逆变器的主功率元件的选择至关重要,目前使用较多的功率元件有达林顿功率晶体管(BJT),功率场效应管(MOSFET),绝缘栅晶体管(IGBT)和可关 断晶闸管(GTO)等,
在小容量低压系统中使用较多的器件为MOSFET,因为MOSFET具有较低的通态压降和较高的开关频率,在高压大容量系统中一般 均采用IGBT模块,
这是因为MOSFET随着电压的升高其通态电阻也随之增大,而IGBT在中容量系统中占有较大的优势,而在特大容量(100KVA以 上)系统中,一般均采用GTO作为功率元件 。
大件:场效应管或IGBT、变压器、电容、二极管、比较器以及3525之类的主控。交直交逆变还有整流滤波。
功率大小和精度,关系着电路的复杂程度。
IGBT(绝缘栅双极晶体管)作为新型电力半导体场控自关断器件,集功率MOSFET的高速性能与双极性器件的低电阻于一体,具有输入阻抗高,电压控制功耗低,控制电路简单,耐高压,承受电流大等特性,在各种电力变换中获得极广泛的应用。
与此同时,各大半导体生产厂商不断开发IGBT的高耐压、大电流、高速、低饱和压降、高可靠性、低成本技术,主要采用1um以下制作工艺,研制开发取得一些新进展。
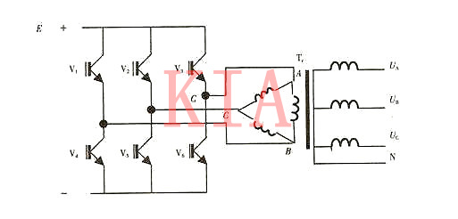
1、全控型逆变器工作原理
为通常使用的单相输出的全桥逆变主电路,交流元件采用IGBT管Q11、Q12、Q13、Q14。并由PWM脉宽调制控制IGBT管的导通或截止。
当逆变器电路接上直流电源后,先由Q11、Q14导通,Q1、Q13截止,则电流由直流电源正极输出,经Q11、L或感、变压器初级线圈图1-2,到Q14回到电源负极。
当Q11、Q14截止后,Q12、Q13导通,电流从电源正极经Q13、变压器初级线圈2-1电感到Q12回到电源负极。
此时,在变压器初级线圈上,已形成正负交变方波,利用高频PWM控制,两对IGBT管交替重复,在变压器上产生交流电压。由于LC交流滤波器作用,使输出端形成正弦波交流电压。
当Q11、Q14关断时,为了释放储存能量,在IGBT处并联二级管D11、D12,使能量返回到直流电源中去。
2、半控型逆变器工作原理
半控型逆变器采用晶闸管元件。Th1、Th2为交替工作的晶闸管,设Th1先触发导通,则电流通过变压器流经Th1,同时由于变压器的感应作用,换向电容器C被充电到大的2倍的电源电压。
按着Th2被触发导通,因Th2的阳极加反向偏压,Th1截止,返回阻断状态。这样,Th1与Th2换流,然后电容器C又反极性充电。如此交替触发晶闸管,电流交替流向变压器的初级,在变压器的次级得到交流电。
在电路中,电感L可以限制换向电容C的放电电流,延长放电时间,保证电路关断时间大于晶闸管的关断时间,而不需容量很大的电容器。
D1和D2是2只反馈二极管,可将电感L中的能量释放,将换向剩余的能量送回电源,完成能量的反馈作用。
联系方式:邹先生
联系电话:0755-83888366-8022
手机:18123972950
QQ:2880195519
联系地址:深圳市福田区车公庙天安数码城天吉大厦CD座5C1
请搜微信公众号:“KIA半导体”或扫一扫下图“关注”官方微信公众号
请“关注”官方微信公众号:提供 MOS管 技术帮助

