图文分享-电容频率特性曲线-KIA MOS管
信息来源:本站 日期:2021-06-16
电容(Capacitance)亦称作“电容量”,是指在给定电位差下的电荷储藏量,记为C,国际单位是法拉(F)。
一般来说,电荷在电场中会受力而移动,当导体之间有了介质,则阻碍了电荷移动而使得电荷累积在导体上,造成电荷的累积储存,储存的电荷量则称为电容。
电容表示符号
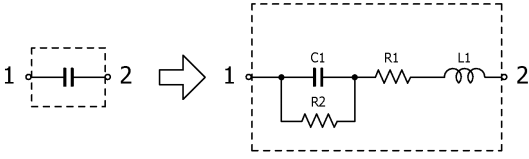
如上图所示,前面表示电容的符号(无极性电容),其中使用最多的应该就是瓷片电容,也就是MLCC。
前面是简单地表示,也表示理想的电容器。后者则是电容实际的模型,包含等效串联电阻ESR和等效串联电感ESL,产生的原因是生产工艺以及封装体积大小导致的问题,比如引脚引线产生的寄生电感,由于所有物质都不是超导体所以有阻抗。
理想电容器:
理想电容器就是介质损耗为零,没有漏电,分布电感为零,频率特性一致,可以输出趋于无穷大的电流,所以趋于零的时间就可以充满电。
实际电容器
实际电容器内部包含等效串联电感和等效串联电阻。而这两个造成电容在使用时的发热以及在高频下不能快速的充放电,所以在使用电容时需要注意电容的频率与阻抗曲线。
常见容值的频率曲线
曲线最低点表示自谐振频率点,此时阻抗最小;自谐振点之前为容性,超过自谐振点,电容逐渐成为感性。
10pf
30pf
100pf
1nf
10nf
100nf
1uf
联系方式:邹先生
联系电话:0755-83888366-8022
手机:18123972950
QQ:2880195519
联系地址:深圳市福田区车公庙天安数码城天吉大厦CD座5C1
请搜微信公众号:“KIA半导体”或扫一扫下图“关注”官方微信公众号
请“关注”官方微信公众号:提供 MOS管 技术帮助

