LED驱动的几种连接方式图文分享-KIA MOS管
实亿国际信息来源:本站 日期:2021-05-31
一、串联方式
这种串联连接的方式电路比较简单,首尾连接在一起,LED工作时流过的电流一致很好,由于LED属于电流型器件,因此基本可以保证每个LED的发光强度一致。采取这种LED连接方式的电路简单、连接方便。
但是也有一个致命的缺点,那就是当其中一个LED发生开路故障时,将造成整个LED灯串的熄灭,影响了使用的可靠性,这就需要保证每个LED的质量过硬,这样可靠性也就相应的提高。
如果采用LED恒压驱动电源来驱动LED,那么当某一个LED短路时候就会导致电路电流增大,当达到一定值时候LED就会损坏,从而导致后面的LED全部损坏,
但是如果采用LED恒流驱动电源来驱动LED,当某一个LED发生短路时候电流基本保持不变,对后面的LED没有影响。不管哪一种方式驱动,一旦某个LED发生开路时候,整个电路都不会被点亮。
二、并联方式
并联方式特点是LED首尾并联连接,工作时每个LED上承受的电压相等。但是电流不一定相等,即使是同一种型号、同一种规格批次的LED也是如此,这是由于生产制造工艺等原因导致。
因此,每个LED电流分配的不均可能使电流过大的LED寿命相对于其他的LED有损下降,久而久之容易烧坏。这种并联连接方式电路较为简单,但是可靠性也不高,特别LED数量较多情况下发生故障可能性更高。
并联连接的方式所需要的电压较低,但是由于每个LED的正向压降不一样,导致每只LED的亮度不同,另外如果一只LED短路,那么整个电路会短路,其余LED都不能正常工作对于某一个LED断路,
如果使用恒流驱动,则分配到余下的LED的电流会增大,进而可能导致余下的LED损坏,但是采用恒压驱动就不会影响整个LED电路的正常工作。
三、混联方式
混联就是采用串联和并联方式混合,先将几只LED串联,然后并联在一起接在LED驱动电源两端,在LED基本一致性情况下,采用这样的连接方式使得所有支路的电压基本相等,每一支路上流过的电流也基本一致。
采用混联方式主要是应用在LED数量较多情况下,因为这种方式保证每分支中的LED故障最多只影响本分支的正常发光,比单纯的串联、并联形式提高了可靠性。
目前很多大功率的LED灯具普遍采用的是这种方式,达到很实用的效果。
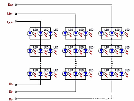
四、阵列方式
阵列方式主要构成形式是:分支以3个LED为一组,分别接入驱动器输出的Ua,Ub,Uc输出端。
当一分支中的3个LED都正常时,3个LED同时发光;一旦其中有一个或两个LED失效开路时,可以保证至少有一个LED的正常工作。
这样一来就能够大大地提高了每组LED发光的可靠性,也就能够提高整个LED发光的总体可靠性。采用这种方式需要多组输入电源,目的是为了提高LED工作的可靠性,降低整体电路故障发生率。
联系方式:邹先生
联系电话:0755-83888366-8022
手机:18123972950
QQ:2880195519
联系地址:深圳市福田区车公庙天安数码城天吉大厦CD座5C1
请搜微信公众号:“KIA半导体”或扫一扫下图“关注”官方微信公众号
请“关注”官方微信公众号:提供 MOS管 技术帮助

