输入、输出滤波器有何区别?详解-KIA MOS管
实亿国际信息来源:本站 日期:2021-05-21
输入滤波器是“变频器输入端专用型滤波器”的简称。
输入滤波器一般安装在电源与变频器输入电源线之间,主要用于抑制变频器产生的传导干扰和辐射干扰,同时具备共模和差模抑制能力。
输入滤波器主要用于对电磁环境要求较高的场合,防止变频器工作时,变频器输入端对电网和其它设备产生的干扰。
1.电源对其它设备有明显的干扰(干扰、过压);
2.电源相间电压不平衡》额定电压的1.8%;
3.阻抗极低的线路(动力变压器为变频器额定值的10倍多);
4.在一条线路上为减小线电流而安装的大量变频器;
5.输入电抗器使用cosφ(功率因数)校正电容或功率因数校正单元。
现代电网中谐波污染已经越来越严重的影响着电网的电能质量。造成其谐波污染的主要原因有非线性负载、电力电子设备的应用及变压器等设备过电压而造成的饱和失真。
输出滤波器,又名“出线滤波器”,是“变频器专用型输出滤波器”的简称。
输出滤波器安装于变频器的电力输出线与电机之间,不但能有效滤除变频器输出电流中的高次谐波,减小由高频谐波引起的附加转矩,降低电机温升及电机运行噪音,而且能有效抑制变频器的输出侧的浪涌电压,保护电机,提高变频调速系统的功率因数。
1.额定电压:250V/440V;690V/1140V(可定做不同等级电压)
2.工作频率:0~120(Hz)
3.耐电压测试(1分钟):线-地2250VDC,线-线1500VDC
4.温度范围:-25~85(℃)
5.绝缘电阻:线-地(300A以下)≥1500M(欧)
6.开关频率:Fmax=60KHz7.Dv/Dt抑制,过电压抑制,减少变频器电磁干扰
7.电流量大,工作电流从1~1600(A)
8.减少变频器以及马达线圈损耗,用于变频器输出滤波器
9.输出滤波器采用高品质元件,确保使用稳定,安全
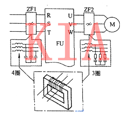
1.线圈的匝数不同
变频器输入电流中,高次谐波分量的频率并不很高,故输入滤波器线圈的匝数稍多;而输出电流中高次谐波分量的频率较高,等于载波频率,故输出滤波器线圈的匝数可略少。
2.附加电路不同
为了提高滤波效果,各生产厂家往往在线圈两端加接电容器。但输出滤波器中,靠近变频器侧是不允许接电容器的。在电动机侧,即使接入电容器时,也应串入限流电阻,如下图所示。
所以,输出滤波器在接线时,必须注意不能把变频器侧和电动机侧接反。
联系方式:邹先生
联系电话:0755-83888366-8022
手机:18123972950
QQ:2880195519
联系地址:深圳市福田区车公庙天安数码城天吉大厦CD座5C1
请搜微信公众号:“KIA半导体”或扫一扫下图“关注”官方微信公众号
请“关注”官方微信公众号:提供 MOS管 技术帮助

