实亿国际干货解析|场效应管放大电路的直流偏置电路-KIA MOS管
信息来源:本站 日期:2020-12-03
什么是偏置电路
晶体管构成的放大器要做到不失真地将信号电压放大,就必须保证晶体管的发射结正偏、集电结反偏。即应该设置它的工作点。
所谓工作点就是通过外部电路的设置使晶体管的基极、发射极和集电极处于所要求的电位(可根据计算获得)。这些外部电路就称为偏置电路。
场效应管偏置电路
场效应管偏置电路为了使放大电路正常地工作能把输入信号不失真地加以放大,必须有一个合适而稳定的静态工作点为放大电路提供直流电流和直流电压的电路。
叫做直流(静态)偏置电路,简称偏置电路由于各种电子电路对偏置电路有不同的要求,所以在实际电路中加设的偏置电路也有所不同。
场效应管放大电路的基本结构
场效应管与晶体管一样,也具有放大作用,但与普通晶体管是电流控制型器件相反,场效应管是电压控制型器件。它具有输入阻抗高、噪声低的特点。
场效应管的3个电极,即栅极、源极和漏极分别相当于晶体管的基极、发射极和集电极。图5-21所示是场效应管的3种组态电路,即共源极、共漏极和共栅极放大器。图5-21(a)所示是共源极放大器,它相当于晶体管共发射极放大器,是一种最常用的电路。
图5-21(b)所示是共漏极放大器,相当于晶体管共集电极放大器,输入信号从漏极与栅极之间输入,输出信号从源极与漏极之间输出,这种电路又称为源极输出器或源极跟随器。
图5-21(c)所示是共栅极放大器,它相当于晶体管共基极放大器,输入信号从栅极与源极之间输入,输出信号从漏极与栅极之间输出,这种放大器的高频特性比较好。
绝缘栅型场效应管的输入电阻很高,如果在栅极上感应了电荷,很不容易泄放,极易将PN结击穿而造成损坏。
为了避免发生PN结击穿损坏,存放时应将场效应管的3个极短接;不要将它放在静电场很强的地方,必要时可放在屏蔽盒内。焊接时,为了避免电烙铁带有感应电荷,应将电烙铁从电源上拔下。焊进电路板后,不能让栅极悬空。
场效应管放大电路的直流偏置电路
由场效应管组成放大电路时,也要建立合适的静态工作点Q,而且场效应管是电压控制器件,因此需要有合适的栅-源偏置电压。常用的直流偏置电路有两种形式,即自偏压电路和分压式自偏压电路。
1.自偏压电路
图1(a)所示电路是一个自偏压电路,其中场效应管的栅极通过电阻Rg接地,源极通过电阻R 接地。这种偏置方式靠漏极电流ID在源极电阻R上产生的电压为栅-源极间提供一个偏置电压VGS,故称为自偏压电路。
静态时,源极电位VS=IDR。由于栅极电流为零,Rg上没有电压降,栅极电位VG=0,所以栅源偏置电压VGS= VG–VS= –IDR 。耗尽型MOS管也可采用这种形式的偏置电路。
图1(b)所示电路是自偏压电路的特例,其中VGS=0。显然,这种偏置电路只适用于耗尽型MOS管,因为在栅源电压大于零、等于零和小于零的一定范围内,耗尽型MOS管均能正常工作。
增强型MOS管只有在栅-源电压达到其开启电压VT时,才有漏极电流ID产生,因此这类管子不能用于图1所示的自偏压电路中。
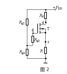
2.分压式偏置电路
分压式偏置电路是在自偏压电路的基础上加接分压电路后构成的,如图2所示。静态时,由于栅极电流为零,Rg3上没有电压降,所以栅极电位由Rg2与Rg1对电源VDD分压得到,即
这种偏置方式同样适用于结型场效应管或耗尽型MOS管组成的放大电路。
联系方式:邹先生
联系电话:0755-83888366-8022
手机:18123972950
QQ:2880195519
联系地址:深圳市福田区车公庙天安数码城天吉大厦CD座5C1
请搜微信公众号:“KIA半导体”或扫一扫下图“关注”官方微信公众号
请“关注”官方微信公众号:提供 MOS管 技术帮助

