MOS管保护电路|MOSFET栅源保护知识分享-KIA MOS管
信息来源:本站 日期:2020-12-01
MOSFET栅源保护:功率MOS管自身拥有众多优点,但是MOS管具有较脆弱的承受短时过载能力,特别是在高频的应用场合,所以在应用功率MOS管对必须为其设计合理的保护电路来提高器件的可靠性。
MOSFET栅源保护-功率MOS管保护电路主要有以下几个方面:
1.防止栅极 di/dt 过高
由于采用驱动芯片,其输出阻抗较低,直接驱动功率管会引起驱动的功率管快速的开通和关断,有可能造成功率管漏源极间的电压震荡,或者有可能造成功率管遭受过高的 di/dt 而引起误导通。
为避免上述现象的发生,通常在 MOS 驱动器的输出与 MOS 管的栅极之间串联一个电阻,电阻的大小一般选取几十欧姆。
2.防止栅源极间过电压
由于栅极与源极的阻抗很高,漏极与源极间的电压突变会通过极间电容耦合到栅极而产生相当高的栅源尖峰电压,此电压会使很薄的栅源氧化层击穿,同时栅极很容易积累电荷也会使栅源氧化层击穿,所以要在 MOS 管栅极并联稳压管以限制栅极电压在稳压管稳压值以下,保护 MOS 管不被击穿,MOS管栅极并联电阻是为了释放栅极电荷,不让电荷积累。
3.防护漏源极之间过电压
虽然漏源击穿电压 VDS 一般都很大,但如果漏源极不加保护电路,同样有可能因为器件开关瞬间电流的突变而产生漏极尖峰电压,进而损坏MOS管,功率管开关速度越快,产生的过电压也就越高。
为了防止器件损坏,通常采用齐纳二极管钳位和 RC 缓冲电路等保护措施。
MOSFET栅源保护:
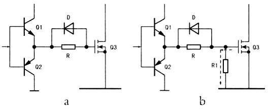
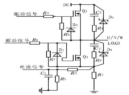
当电流过大或者发生短路时,功率MOS管漏极与源极之间的电流会迅速增加并超过额定值,必须在过流极限值所规定的时间内关断功率 MOS 管,否则器件将被烧坏,因此在主回路增加电流采样保护电路,当电流到达一定值,通过保护电路关闭驱动电路来保护MOS管。
下图是MOS管的保护电路,由此可以清楚的看出保护电路的功能。
MOS管的栅极和源极之间的电阻:
一是为场效应管提供偏置电压;二是起到泻放电阻的作用:保护栅极G-源极S;
保护栅极G-源极S:
场效应管的G-S极间的电阻值是很大的,这样只要有少量的静电就能使他的G-S极间的等效电容两端产生很高的电压,如果不及时把这些少量的静电泻放掉,两端的高压就有可能使场效应管产生误动作,甚至有可能击穿其G-S极;
这时栅极与源极之间加的电阻就能把上述的静电泻放掉,从而起到了保护场效应管的作用。
KIA半导体专业生产MOS管场效应管厂家(国家高新技术企业)成立于2005年,公司成立初期就明确立足本土市场,研发为先导,了解客户需求,运用创新的集成电路设计方案和国际同步研发技术;
结合中国市场的特点,向市场推出了BIPOLAR,CMOS,MOSSFET等电源相关产品,产品的稳定性,高性价比,良好的服务,以及和客户充分的技术,市场沟通的严谨态度,在移动数码,LCE,HID,LED,电动车,开关电源,逆变器,节能灯等领域深得客户认可。

KIA本着“携手客户,创新设计,共同提升,服务市场”的理念,期待在您的大力支持下,使KIA成为MOSFET器件领域的优秀mos管品牌。
联系方式:邹先生
联系电话:0755-83888366-8022
手机:18123972950
QQ:2880195519
联系地址:深圳市福田区车公庙天安数码城天吉大厦CD座5C1
请搜微信公众号:“KIA半导体”或扫一扫下图“关注”官方微信公众号
请“关注”官方微信公众号:提供 MOS管 技术帮助

