MOS管结构|MOS管的IVcure解析分享-KIA MOS管
实亿国际信息来源:本站 日期:2020-11-23
以N沟道横向MOS管为例,其结构如下图所示,在P型半导体表面有一层薄膜氧化膜,氧化膜上再镀一层金属膜。在这层金属膜上施加一个正向电压。进一步再添加两个n+区域分别作为源区和漏区。这样我们就有了下面这个示意图。
MOS管一般有三个级,分别是Source源极,Drain漏级和Gate栅极。
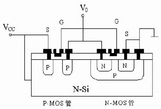
如果在同一个N型衬底上同时制造P沟道MOS管和N沟道MOS管(N沟道MOS管制作在P阱内),这就构成了CMOS。
MOS管按照沟道中载流子类型分为N沟MOS晶体管和P沟道MOS晶体管。其中N沟道MOS晶体管是衬底为P型,源漏为重掺杂的N=,沟道中载流子为电子;P沟MOS晶体管是衬底为N型,源漏为重掺杂的P+,沟道中载流子为空穴。在正常情况下,只有一种类型的载流子在工作,引出也称其单极晶体管。
按工作模式分增强型晶体管和耗尽型晶体管。增强型晶体管是指若在零栅压下不存在漏源导电沟道,为了形成导电沟道,需要施加一定的栅压,也就是说沟道要通过“增强”才能导通;
而耗尽型晶体管是指器件本身在漏源之间就存在导电沟道,即使在零栅压下器件也是导通的。若要使器件截止,就必须施加栅压使沟道耗尽。
按功率分为小信号管和功率管。其中小信号管一般是指耗尽型场效应管,主要用于信号电路的控制;功率管一般是指增强型的场效应管,只要在电力开关电路,驱动电路等。
MOS管的IVCurve如下图所示:
其主要分为4个区域,分别为线性区、饱和区、截止区和击穿区。
MOS管的IVcure解析:线性区,对于固定的Vgs(》Vth),当漏压很小时,漏电流Ids随漏压的增加而线性增加。
但随着漏压的增加,漏电流的增加速度不断减小直到Ids达到某一恒定的饱和值。在这个工作区,MOS表现出类似于电阻的特性,并且随着栅压的变化而变化,即沟道电阻随着栅压的增加而减小。这个区域也叫可调电阻区。
饱和区,在漏源之间接上电压Vds,则沟道区的电位从靠近源端的零电位逐渐升高到靠近漏断的Vds。而栅极的电位是恒定的,所以在沟道从源极到漏极不同位置上,栅极与沟道之间的电位差是不等的,因而沟道不同位置上的表面电场也是不等的。
那么沟道中积累的可动载流子也随着电位差从源到漏由多到少,沟道也由厚到薄,沟道的导电能力随之下降,漏源输岀电流随Vds上升的速度降下来,故Ids曲线逐渐趋向平缓。
当Vds进一步增大时:Vds>Vgs-Vt,漏端的沟道消失,即漏端的沟道被夹断,这个夹断区成了漏源之间电流通路上最大的区域。
在夹断后Vds的继续增大都集中在降落夹断区,因此尽管Vds增大了,沟道两端的电压降仍是Vgs-Vt不变。这使得经过沟道漂移进度夹断区的电子流也基本上不随Vds的增加而改变,Ids也就不变了,所以曲线几乎变成直线。
击穿区,饱和区之后,若Vds进一步增加,晶体管进入击穿区,Ids随Vds迅速增大,直至引起漏-衬PN结击穿,这是由于漏端高电场引起的。
截止区,在该区域,Vgs<Vth,因此漏源之间不存在导电沟道,即Ids=0。但实际上漏源电流并不为0,而是按指数规律随栅压变化,通常称为弱反型电流或亚域值电流。
在弱反型时,P型硅表面变为N型,但这种反型很弱,表面电子浓度低于体内空穴的浓度。由于低的电子浓度沿沟道产生的电场较低,因此亚域值电流主要由载流子扩散引起。
双边对称。在电学性质上源和漏是可以相互交换的。与双极型晶体管相比,显然有很大不同,对于双极型晶体管,如果交换发射极与集电极,晶体管的增益将明显下降。
单极性。在MOS晶体管中参与导电的只是一种类型的载流子,这与双极型晶体管相比也显著不同。在双极型晶体管中,显然一种类型的载流子在导电中起着主要作用,但与此同时,另一种载流子在导电中也起着重要作用。
高输入阻抗。由于栅氧化层的影响,在栅和其他端点之间不存在直流通道,因此输入阻抗非常高,而且主要是电容性的。通常,MOSFET的直流输入阻抗可以大于1014欧。
电压控制。MOSFET是一种电压控制器件。而且是一种输入功率非常低的器件。一个MOS晶体管可以驱动许多与它相似的MOS晶体管;也就是说,它有较高的扇出能力。
自隔离。由MOS晶体管构成的集成电路可以达到很高的集成密度,因为MOS晶体管之间能自动隔离。一个MOS晶体管的漏,由于背靠背二极管的作用,自然地与其他晶体管的漏或源隔离。这样就省掉了双极型工艺中的既深又宽的隔离扩散。
联系方式:邹先生
联系电话:0755-83888366-8022
手机:18123972950
QQ:2880195519
联系地址:深圳市福田区车公庙天安数码城天吉大厦CD座5C1
请搜微信公众号:“KIA半导体”或扫一扫下图“关注”官方微信公众号
请“关注”官方微信公众号:提供 MOS管 技术帮助

