实亿国际

实亿国际

国家高新企业

cn

新闻中心

​干货|MOS管及其外围电路设计分享-KIA MOS管

信息来源:本站 日期:2020-11-18 

分享到:

干货|MOS管及其外围电路设计分享-KIA MOS管


MOS管及其外围电路设计

1.栅极驱动部分

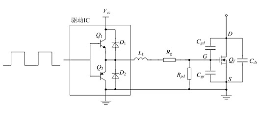
MOS管及其外围电路设计:常用的mos管驱动电路结构如图1所示,驱动信号经过图腾柱放大后,经过一个驱动电阻Rg给mos管驱动。其中Lk是驱动回路的感抗,一般包含mos管引脚的感抗,PCB走线的感抗等。


在现在很多的应用中,用于放大驱动信号的图腾柱本身也是封装在专门的驱动芯片中。本文要回答的问题就是对于一个确定的功率管,如何合理地设计其对应的驱动电路(如驱动电阻阻值的计算,驱动芯片的选型等等)。


注1:图中的Rpd为mos管栅源极的下拉电阻,其作用是为了给mos管栅极积累的电荷提供泄放回路,一般取值在10k~几十k这一数量级。由于该电阻阻值较大,对于mos管的开关瞬态工作情况基本没有影响,因此在后文分析mos的开关瞬态时,均忽略Rpd的影响。


注2:Cgd,Cgs,Cds为mos管的三个寄生电容,在考虑mos管开关瞬态时,这三个电容的影响至关重要。


MOS管及其外围电路设计


驱动电阻的下限值

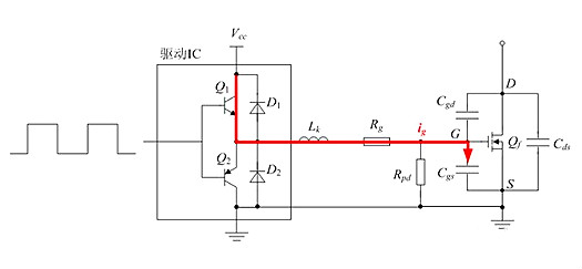
驱动电阻下限值的计算原则为:驱动电阻必须在驱动回路中提供足够的阻尼,来阻尼mos开通瞬间驱动电流的震荡。


当mos开通瞬间,Vcc通过驱动电阻给Cgs充电,如图2所示(忽略Rpd的影响)。根据图2,可以写出回路在s域内对应的方程:


MOS管及其外围电路设计


式(4)给出了驱动电阻Rg的下限值,式(4)中Cgs为mos管gs的寄生电容,其值可以在mos管对应的datasheet中查到。


而Lk是驱动回路的感抗,一般包含mos管引脚的感抗,PCB走线的感抗,驱动芯片引脚的感抗等,其精确的数值往往难以确定,但数量级一般在几十nH左右。


因此在实际设计时,一般先根据式(4)计算出Rg下限值的一个大概范围,然后再通过实际实验,以驱动电流不发生震荡作为临界条件,得出Rg下限值。


MOS管及其外围电路设计


图2 mos开通时的驱动电流

驱动电阻的上限值

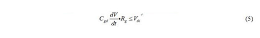
驱动电阻上限值的计算原则为:防止mos管关断时产生很大的dV/dt使得mos管再次误开通。


当mos管关断时,其DS之间的电压从0上升到Vds(off),因此有很大的dV/dt,根据公式:i=CdV/dt,该dV/dt会在Cgd上产生较大的电流igd,如图3所示。


MOS管及其外围电路设计


图3 mos关断时的对应电流

该电流igd会流过驱动电阻Rg,在mos管GS之间又引入一个电压,当该电压高于mos管的门槛电压Vth时,mos管会误开通,为了防止mos管误开通,应当满足:


MOS管及其外围电路设计


式(6)给出了驱动电阻Rg的上限值,式(6)中Cgd为mos管gd的寄生电容,Vth为mos管的门槛电压,均可以在对应的datasheet中查到,dV/dt则可以根据电路实际工作时mos的DS电压和mos管关断时DS电压上升时间(该时间一般在datasheet中也能查到)求得。


从上面的分析可以看到,在mos管关断时,为了防止误开通,应当尽量减小关断时驱动回路的阻抗。基于这一思想,下面再给出两种很常用的改进型电路,可以有效地避免关断时mos的误开通问题。


MOS管及其外围电路设计


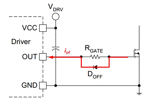
图4给出的改进电路1是在驱动电阻上反并联了一个二极管,当mos关断时,关断电流就会流经二极管Doff,这样mos管gs的电压就为二极管的导通压降,一般为0.7V,远小于mos的门槛电压(一般为2.5V以上),有效地避免了mos的误开通。


MOS管及其外围电路设计


图5给出的改进电路2是在驱动电路上加入了一个开通二极管Don和关断三级管Qoff。当mos关断时,Qoff打开,关断电流就会流经该三极管Qoff,这样mos管gs的电压就被钳位至地电平附近,从而有效地避免了mos的误开通。


驱动电阻阻值的选择

根据1.1节和1.2节的分析,就可以求得mos管驱动电阻的上限值和下限值,一般来说,mos管驱动电阻的取值范围在5~100欧姆之间,那么在这个范围内如何进一步优化阻值的选取呢?


这就要从损耗方面来考虑,当驱动电阻阻值越大时,mos管开通关断时间越长(如图6所示),在开关时刻电压电流交叠时间久越大,造成的开关损耗就越大(如图7所示)。所以在保证驱动电阻能提供足够的阻尼,防止驱动电流震荡的前提下,驱动电阻应该越小越好。


MOS管及其外围电路设计



MOS管及其外围电路设计-外围保护电路


MOS管及其外围电路设计


R7作用:防静电影响MOS,管子的DG,GS之间分别有结电容, DS之间电压会给电容充电,这样G极积累的静电电压就会抬高直到mos管导通,电压高时可能会损坏管子. 同时为结电容提供泄放通道,可以加快MOS开关速度。 阻值一般为几千左右。


R6和D3作用:在MOS关断时,这个回路快速放掉栅极结电容的电荷,栅极电位快速下降,因此可以加快MOS开关速度。另外,高频时, MOSFET的输入阻抗将降低,而且在某个频率范围内将变成负阻,会发生振荡,这个电阻可以减少震荡。R6阻值一般较小,几欧到几十欧左右。


C11,R8和d5作用:MOS有分布电感,关断时会有反峰电压。Rc部分用于吸收尖波,这个设计给这个反峰提供了释放回路。D5是为了防止高电压击穿mos。经实验,去掉该回路后波形有很大的震荡。




联系方式:邹先生

联系电话:0755-83888366-8022

手机:18123972950

QQ:2880195519

联系地址:深圳市福田区车公庙天安数码城天吉大厦CD座5C1


请搜微信公众号:“KIA半导体”或扫一扫下图“关注”官方微信公众号

请“关注”官方微信公众号:提供  MOS管  技术帮助