实亿国际必看|小功率无刷直流电机MOS管烧坏原因-KIA MOS管
实亿国际信息来源:本站 日期:2020-11-17
什么原因导致控制小功率无刷直流电机的MOS管被烧坏呢?若能够提供详细电路图及各元器件的型号(比如MOS管型号等)更好,由于没电路图,下面对这部分设计MOS管烧坏常见的可能性故障进行分析,自己核对一下是否有相应的问题。
一般几种情况:
1.启动电流过大,未做任何保护
2.上下桥臂直通,瞬间过电流
3.死区时间过短,反电动势导致反向击穿
4.硬件不确定故障,偶发现象
5.控制算法是否有误
6.死区保护可能没有做好,导致H桥的上下臂有直通的可能,可以用多通道示波器测量一下控制PWM信号,是否有上下臂同时导通可能。
1、电路图中是否有续流二极管?因为电机属于感性负载,其内部具有线圈,当MOS管关断瞬间,很大的反向电动势,与原电源电压叠加产生高压,从而击穿管子。
增加该二极管是使线圈与二极管能够形成回路,给反向电动势续流,从而保护MOS管等控制器件,如下图D1为电机续流二极管。
2、MOS管的选型是否合理?①电机驱动瞬间电流比稳定运行时电流(额定电流)要大5~8倍左右,因此MOS管的最大漏极电流应选择电机额定电流10倍以上,比如额定功率为0.5A的电机,MOS管最大漏极电流应选择5A以上,尽量选择内阻小的MOS管,其内阻越小越好。
内阻小,压降小,管子功耗小,其发热量就小。②MOS管的最大工作电压是否满足要求?选取管子的工作电压应比电机工作电压大一倍,比如24V的电机,MOS管最大工作电压应选择48V以上。
3、MOS管的驱动电压是否符合要求?虽然MOS管导通驱动电压3V~10V左右,但是VGS电压一般6V~10V管子才能达到饱和。
若只用3.3V电压驱动,虽然MOS管能够导通,但是内阻较大,并没有达到饱和状态。导致管子内耗大,发热量大而烧坏。如下图为小功率MOS管2N7002驱动电压VGS与漏极电流ID曲线图,可以看出VGS>2V就开始有电流,管子导通,但是电压高达5.5V左右管子才饱和。
4、MOS管控制端栅极串联电阻是否过大?虽然MOS管属于电压控制型器件,但是该电阻不能省,串联该电阻起到隔离保护作用(如上图R1)。
若该电阻太大,因为MOS管会有结电容,管子太大充电速度慢,管子很长时间达不到饱和开通状态,从而过热烧毁。该电阻阻值一般10k以内即可。
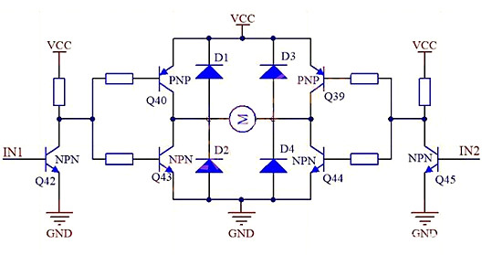
若为正反转控制电机驱动电路,如下图4个二极管不能省,这4个二极管属于电机线圈续流二极管,用于保护控制电路,若控制管使用的是MOS管,其内部一般会有寄生二极管,不需要外接。
联系方式:邹先生
联系电话:0755-83888366-8022
手机:18123972950
QQ:2880195519
联系地址:深圳市福田区车公庙天安数码城天吉大厦CD座5C1
请搜微信公众号:“KIA半导体”或扫一扫下图“关注”官方微信公众号
请“关注”官方微信公众号:提供 MOS管 技术帮助

