实亿国际干货详解|安装和更换MOS管注意事项-KIA MOS管
实亿国际信息来源:本站 日期:2020-11-12
一、安装和更换MOS管前的准备
1.由于MOS管栅极绝缘层很薄,栅漏电容较小。有U=Q/C,所以静电和感应电压成正比。人体静电电压就极易对管子的栅极造成损坏。
2.不要人体直接触碰管子栅极。
3.由于干燥易产生静电,应在安装和更换MOS管前,洗洗手,以消除静电。
4.最好加接地护腕。功放模块接地。最好用防静电焊台或防静电烙铁。
二、测量MOS管方法
1.用指针表100欧姆挡测量。先使表笔接地,放掉表笔静电。
2.测量栅源,栅漏,正反向电阻都应无穷大。
3.源漏间一般是两个背靠背二极管,测量源漏极正反向电阻都应无穷大。有很多MOS管的源漏极是同一种半导体材料建立在另一半导体材料作为衬底。而衬底又是和源极接在一起的,所以源漏间相当一只二极管。N-沟道场效应管,红笔接漏极,黑笔接源极,正向电阻约5-10K。反向无穷大。由于先测量栅极会给栅极充静电而保持有栅压,红笔接源极,黑笔接漏极时不是无穷大。可短路栅源极放掉栅压,再重新测量源漏极电阻,确定源漏是否损坏。
4.场效应管一般损坏是栅漏击穿,栅漏电阻很小。源漏极损坏,源漏极反向电阻较小,100K以下。
5.注意BLF861由于工艺,一对管子的衬底是一起的,两管子漏极也一起的,管子两漏极间电阻是很小的。而BLF278一对管子的衬底不是一起的,两管子漏极电阻是无穷大的。
三、细心检查电路中有无损坏的元件
1.对有3db合成器的电路,要检查负载端的负载值是否准确。
2.对照检查栅地电阻是否正确。
3.检查栅极.漏极电路微带电容有没损坏。
4.调整栅压到最小,(吉兆功放一般是顺时针调小)。
四、安装MOS管
1.先把功放模块安装MOS管的位置进行清理,焊掉有影响的微带电容,电感,漏极供电电感,把栅.漏极焊接处的焊锡清理干净,把底座用酒精清洗。
2.给MOS管的底座均匀涂薄薄一层导热硅脂, 保证管子和底座良好接触导热。
3.装好管子,拧好固定螺丝和散热器,用硬物按压,使栅极.漏极都紧压在焊接处。
4.用60W接地烙铁,拔掉电源。用好的焊锡丝,快速对栅极,漏极进行焊接。焊锡不宜太多和太少,焊锡多了散热太快,太少了焊接不牢。注意不要直接用手拿焊锡焊接,用绝缘镊子或尖嘴钳夹着焊锡焊接。烙铁功率不宜太小,不宜过大。太小温度不够,太大也易烫坏管子。焊接时间要短,焊接时间长容易烫坏管子,可分多次焊接。
5.焊接好管子后,逐个焊接好谐振电容,谐振电感,最后焊接漏极供电电感。
五、安装管子后的静态调整
1.功放模块输出接功率负载,输入不加激励。对功放管子静态电流检查,可量管子漏极电路中的电流取样电阻的电压,判断管子的静态电流是否正常,因为栅压已调到较小值,静态电流应很小。如果取样电压较大就可能功放有自激,要排除自激后再校正静态工作点。
2.如果取样电压很小,没有自激。可调整栅压到比正常栅压略低,再测电流取样电压,微调栅压可调电阻,使取样电压达到正常值。BLF278的栅压为3V左右,BLF861的栅压为5V左右,对管工作电流均为0.8A。当取样电阻R050四只并联时,为0.0125欧姆。取样电压应为10MV。
不隔离互补驱动电路
由于MOSFET为电压型驱动器件,当其关断时,漏源两端的电压的,上升会通过结电容在栅源两端产生干扰电压,如图所示的电路不能提供负电压,因此其抗干扰性较差,有条件的话可以将其中的地换成-Vcc,以提高抗干扰性及提高关断速度。
隔离驱动电路
(1)正激驱动电路
N3为去磁绕组,S1为要驱动的功率管。R2为防止功率管栅源电压振荡的一个阻尼电阻。R1为正激变换器的假负载,用于消除关断期间输出电压发生振荡而误导通,并作为MOSFET关断时的能量泄放回路。
该驱动电路的导通速度主要与被驱动S1栅源极等效输入电容的大小、Q1的驱动信号的速度以及Q1所能提供的电流大小有关
优点:
电路简单,并实现了隔离驱动。只需单电源即可提供导通时的正电压及关断时的负电压。占空比固定时,通过合理的参数设计,此驱动电路也具有较快的开关速度。
缺点:
由于变压器副边需要一个较大的防振荡电阻,该电路消耗比较大。当占空比变化时关断速度变化加大。脉宽较窄时,由于储存的能量减少导致MOSFET关断速度变慢。
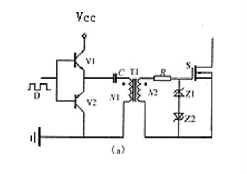
(2)有隔离变压器互补驱动电路
该电路比较适用于占空比固定或占空比变化范围不大及占空比小于0.5的场合
优点:
电路简单可靠,具有电气隔离作用。当脉宽变化时,驱动的关断能力不会随着变化。该电路只需一个电源,隔直电容C的作用在关断时提供一个负压,从而加速了功率管的关断,有较高的抗干扰能力。
缺点:
输出电压幅值会随着占空比变化而变化。当D较小时,负电压较小,抗干扰能力变差,同时正向电压高,应注意不要超过栅源允许电压:当D大于0.5时,正向电压降低,负电压升高,应注意使其负电压不要超过栅源允许电压。
联系方式:邹先生
联系电话:0755-83888366-8022
手机:18123972950
QQ:2880195519
联系地址:深圳市福田区车公庙天安数码城天吉大厦CD座5C1
请搜微信公众号:“KIA半导体”或扫一扫下图“关注”官方微信公众号
请“关注”官方微信公众号:提供 MOS管 技术帮助

