实亿国际MOS管热阻参数解读及热阻测试原理-KIA MOS管
实亿国际信息来源:本站 日期:2020-10-10
以下用到的SPEC参数是Rohm的NMOS管RE1C001UN
定义:热阻指的是当有热量在物体上传输时,在物体两端温度差与热源的功率之间的比值,单位是℃/W或者是K/W。半导体散热的三个途径,封装顶部到空气,封装底部到电路板,封装引脚到电路板。
Tj:芯片结温,Ta:芯片环境温度,热阻ThetaJA = (Tj-Ta)/P
还有一些其他的热阻参数如下:
ThetaJA=(Tj-Ta)/P,结到空气环境的热阻。
ThetaJC=(Tj-Tc)/P,结到封装外壳的热阻,一般而言是到封装顶部的热阻,所以一般的,ThetaJC = ThetaJT
ThetaJB=(Tj-Tb)/P,结到PCB的热阻。
ThetaJA参数综合了Die的大小, 封装方式,填充材料,封装材料,引脚设计,外部散热片和外部电路板的属性多个因素,综合来讲ThetaJA和用的器件以及PCB设计有关。ThetaJC和ThetaJB这2个参数是表征芯片和封装本身的,不会随着芯片封装外部环境的改变而改变。
Power dissipation:功率损耗,指的是NMOS消耗功率不能超过150mW
Junction temperature:结温,结面温度,指的是NMOS最高结温不能超过150℃
Thermal resistance:热阻,如下的833℃/W指的是NMOS结面相对于环境温度的热阻是833℃/W,假如器件消耗的功率是1W,那温升就是833℃
当NMOS工作在最大功率150mW,那NMOS结到空气的温度就是150/1000*833≈125℃,芯片结温就是125+25=150℃
输入电容Ciss,指的是DS短接,用交流信号测得的GS之间的电容,Ciss由GS电容和GD电容并联而成,即Ciss=Cgs+Cgd,当输入电容充电至阈值电压,MOS管才打开,放电至一定的值,MOS管才关闭,所以Ciss和MOS管的开启关闭时间有很大的关系。
输出电容Coss,指的是GS短接,用交流信号测得的DS之间的电容,Coss由GD电容和DS电容并联而成,即Coss=Cgd+Cds
反向传输电容Crss,指的是S接地,GD之间的电容,即Crss=Cgd
MOS管关闭下,Cgs要比Cgd大得多,Cgd=1.7pF,那Cgs=7.1-1.7=5.4pF
从SPEC给的图看,3个电容的大小和DS电压有很大关系,尤其是Coss和Crss
有的一些MOS管SPEC中还有如下的Qg,Qgs,Ggd,指的是充满这些电容所需要的电荷数,所需要的充电电荷数越少,MOS管开关速度就越快。
MOS管关闭下,Cgs要比Cgd大的多,但是发现Qgd比Qgs大得多,这是受到米勒电容的影响
MOS管的开关时间
结合一下图片理解MOS管的开关时间。
最左边绿色部分,ID和UD几乎不变,因为这时候UGS没有上升到阈值电压,MOS管是关闭状态,把UGS从0增大到阈值电压前这段时间叫Turn-on delay time。紧接着紫色部分,当UGS上升到阈值电压后,随着UGS再继续增大,ID也逐渐增大,UD逐渐减小,直到ID到最大值,UD到最小值,这段时间叫Rise time。
同理,MOS管在关闭时,UGS没有下降到阈值电压,ID和UD都是不变的,把UGS下降到阈值电压前这段时间叫Turn-off delay time,随着UGS逐渐减小,ID减小到最小值,UD增大到最大值,这段时间叫Fall time。
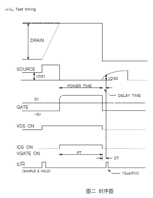
热阻是依据半导体器件PN结在指定电流下两端的电压随温度变化而变化为测试原理,来测试功率半导体器件的热稳定性或封装等的散热特性,通过给被测功率器件施加指定功率、指定时间,PN结两端的电压变化(△VBE/△VF/△VGK/△VT/△VSD)作为被测器件的散热判据。并与指定规范值比较,根据测试结果进行筛选,将散热性差的产品筛选掉,避免散热性差的产品在应用过程中,因温升过高导致失效。
MOS热阻测试是通过测试MOS体二极管两端电压变化△VSD来实现的,先后分别测试MOS管MOS体二极管正向压降Vsd1(加热前)和Vsd2(加热后)。步骤:1、MOS加热前,先测量让MOS体二极管以Is电流(Is=10mA)流动时的Vsd1值,原理图见下图-左;2、给MOS管Vgs加压,让MOS以ID电流开通PT时间,加热MOS管,原理图见下图-中;3、再测量让MOS体二极管以Is电流(Is=10mA)流动时的Vsd2值,原理图见下图-右;4、DVDS=Vsd1-Vsd2,DVDS?正常合格范围为45~85mV;
联系方式:邹先生
联系电话:0755-83888366-8022
手机:18123972950
QQ:2880195519
联系地址:深圳市福田区车公庙天安数码城天吉大厦CD座5C1
请搜微信公众号:“KIA半导体”或扫一扫下图“关注”官方微信公众号
请“关注”官方微信公众号:提供 MOS管 技术帮助

