实亿国际

实亿国际

国家高新企业

cn

新闻中心

实亿国际MOSFET导通过程图文详细分析(快速了解)-KIA MOS管

信息来源:本站 日期:2020-09-04 

分享到:

MOSFET导通过程图文详细分析(快速了解)

MOSFET导通过程详解,MOSFET简称金氧半场效晶体管(Metal-Oxide-Semiconductor Field-Effect Transistor, MOSFET)是一种可以广泛使用在模拟电路与数字电路的场效晶体管(field-effect transistor)。MOSFET依照其“通道”(工作载流子)的极性不同,可分为“N型”与“P型” 的两种类型,通常又称为NMOSFET与PMOSFET,其他简称上包括NMOS、PMOS等。


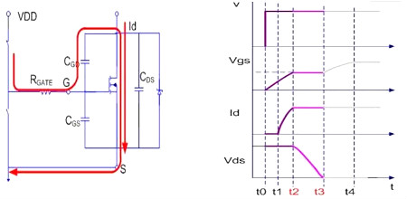
(一)MOSFET开通过程

MOSFET,导通过程

T0~T1:驱动通过Rgate对Cgs充电,电压Vgs以指数的形式上升。


MOSFET,导通过程

T1~T2:Vgs达到MOSFET开启电压,MOSFET进入线性区,Id缓慢上升,至T2时刻Id到达饱和或是负载最大电流。在此期间漏源极之间依然承受近乎全部电压Vdd。


MOSFET,导通过程

T2~T3:T2时刻 Id达到饱和并维持稳定值,MOS管工作在饱和区,Vgs固定不变, 电压Vds开始下降。此期间Cgs不再消耗电荷, VDD开始给Cgd提供放电电流。


MOSFET,导通过程

T3~T4: 电压Vds下降到0V,VDD继续给Cgs充电,直至Vgs=VDD,MOSFET完成导通过程。


重要说明:

Vgs的各个阶段的时间跨度同栅极消耗电荷成比例(因△Q = IG△T,而IG在此处为恒流源之输出)。


T0 ~ T2跨度代表了Ciss(VGS+ CGD)所消耗的电荷,对应于器件规格书中提供的参数Qgs(Gate to Source Charge)。


T2 ~ T3跨度代表了CGD(或称为米勒电容)消耗的电荷,对应于器件规格书中提供的参数Qds(Gate to Drain (“Miller”) Charge)。


T3时刻前消耗的所有电荷就是驱动电压为Vdd、电流为Id的MOSFET所需要完全开通的最少电荷需求量。T3以后消耗的额外电荷并不表示驱动所必须的电荷,只表示驱动电路提供的多余电荷而已 。


开关损失:在MOSFET导通的过程中,两端的电压有一个下降的过程,流过的电流有一个上升的过程,那么这段时间里,MOS管损失的是电压和电流的乘积,称为开关损失。


导通损耗: MOS管在导通之后,电流在导通电阻上消耗能量,称为导通损耗。


整体特性表现:

驱动电量要求:

△Q t0 ~ t4= (t4-t0 )IG = VG(CGS + CGD)+ VDDCGD


驱动电流要求:

IG =△Q t0 ~ t4 /(t4-t0 )≈△Q t0 ~ t3 / (t3-t0 )≈Qg/(Td(on) + Tr)


驱动功率要求:

Pdrive=∫t4-t0 vg(t)ig(t)≈VG△Q≈VG〔VG(CGS+CGD)+ VDDCGD〕


驱动电阻要求:

RG = VG / IG


一般地可以根据器件规格书提供的如下几个参数作为初期驱动设计的计算假设:

a) Qg(Total Gate Charge):作为最小驱动电量要求。

b)相应地可得到最小驱动电流要求为IG ≈Qg/(td(on)+tr)。

c)Pdrive=VG *Qg作为最小驱动功率要求。

d)相应地,平均驱动损耗为VG *Qg*fs


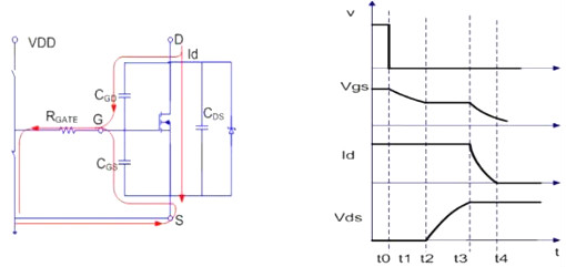
二、MOSFET关断过程

MOSFET,导通过程

MOSFET关断过程是开通过程的反过程,如上图示意。


联系方式:邹先生

联系电话:0755-83888366-8022

手机:18123972950

QQ:2880195519

联系地址:深圳市福田区车公庙天安数码城天吉大厦CD座5C1


请搜微信公众号:“KIA半导体”或扫一扫下图“关注”官方微信公众号

请“关注”官方微信公众号:提供  MOS管  技术帮助