mosfet应用-MOSFET在开关电路中的应用及开关特性详解-KIA MOS管
信息来源:本站 日期:2020-09-03
本文主要讲mosfet应用开关电路中。mosfet简称金氧半场效晶体管(Metal-Oxide-Semiconductor Field-Effect Transistor, MOSFET)是一种可以广泛使用在模拟电路与数字电路的场效晶体管(field-effect transistor)。 [1] MOSFET依照其“通道”(工作载流子)的极性不同,可分为“N型”与“P型” 的两种类型,通常又称为NMOSFET与PMOSFET,其他简称上包括NMOS、PMOS等。
mosfet应用,在一些简单的小功率开关电路中,利用双极结型三极管(BJT,Bipolar Junction Transistor)作为开关管时可能会遇到输入电流不足,BJT工作状态无法正确配置,进而无法实现电路功能的情况。
例如图1所示的一个使用BJT SS8050LT作为开关管的加热控制电路,BJT为共射极连接。将BJT视为一个二端口网络,输入端口为电阻与NTC型热敏电阻构成的基极分压回路,参数分别为基极-发射极电压以及流入基极的电流;输出端口没有连接任何负载,参数分别为集电极与发射极两端的电压和集电极电流。49Ω基极电阻作为发热器件,由8个390Ω电阻并联而成。
图1BJT加热控制电路
图1所示的加热控制电路设计的功能可描述为:当环境温度为常温25℃时,热敏电阻的阻值为10.000kΩ,基极-发射极电压,BJT未导通,电路未工作;当环境温度下降到10℃时,热敏电阻的阻值增大至17.958kΩ,基极-发射极电压,BJT导通,集电极电流流过基极电阻,电阻发热,电路正常工作。
显然,电路中BJT的工作状态需要处于饱和区内,保证电压尽可能多的电压落在基极电阻的两端,提高电阻的发热功率。根据BJT的工作原理可知,BJT的发射极和集电极均处于正向偏置的区域为饱和区。在这一区域内,一般有,因而集电极内电场被削弱,集电极收集载流子的能力减弱,这时电流分配关系不再满足,随增加而迅速上升,如图2所示。饱和区内的很小,称为BJT的饱和压降,其大小与及有关。图中虚线是饱和区与放大区的分界线,称为临界饱和线。对于小功率管,可以认为当(即)时,BJT处于临界饱和(或临界放大)状态。
图2BJT SS8050LT共射极连接时的输出特性曲线
要想使BJT工作在饱和区内,就要增大基极-发射极电压,而环境温度越低,热敏电阻阻值越大,从而增大。但是必须注意到,BJT输入端口的基极分压回路电阻越大,输入电流则越小。具体来说,在BJT导通后,基极-发射极电压,基极分压回路总电流,从图1.2中可以看出,流入基极的电流太小,BJT无法工作在正常状态下,电路功能无法实现。而且由于NTC型热敏电阻的器件选型限制,无法改用更小阻值的分压电阻来降低基极分压回路的总电阻值。对于这种BJT流控器件的限制,可以采用MOSFET压控器件来代替。
MOSFET全称为Metal-Oxide-Semiconductor Field Effect Transistor,中文名称为金属-氧化物-半导体场效应管。随着制造工艺的成熟,MOSFET兼有体积小、重量轻、耗电省、寿命长等特点。而且MOSFET还有输入阻抗高、噪声低、热稳定性好、抗辐射能力强等优点,因而获得了广泛的应用,特别是在大规模和超大规模集成电路中占有重要的地位。
作为一种场效应管(FET),MOSFET为单极型器件,即管子只有一种载流子(电子或空穴)导电。从导电载流子的带电极性来看,MOSFET有N(电子型)沟道和P(空穴型)沟道之分;按照导电沟道形成机理不同,又有增强型(E型)和耗尽型(D型)的区别。
mosfet应用,以N沟道增强型MOSFET AO3400A举例,AO3400A的输出特性如图4所示。将曲线图分为三个区域,分别为截止区、可变电阻区、饱和区(恒流区又称放大区)。
1)截止区
当时,导电沟道尚未形成,,为截止工作状态。
2)可变电阻区
当时,MOSFET处于可变电阻区,此时输出电阻受控制。
3)饱和区
当,且时,MOSFET进入饱和区。不随变化,而是由栅源极电压控制。
图4AO3400A输出特性
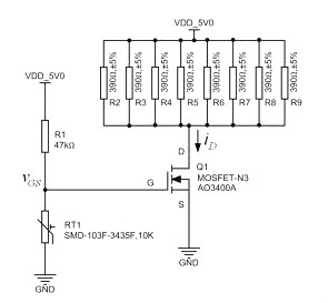
mosfet应用,根据上述MOSFET的原理叙述,在上面提到的加热控制电路中应该采用N沟道增强型MOSFET代替原有的BJT,这里选择AO3400A,于是有如图5所示的MOSFET共源极放大电路。由于MOSFET是电压控制器件,所以提供合适的栅源极电压,就可以建立合适的静态工作点,使电路工作在正常状态。
图5MOSFET加热控制电路
根据N沟道增强型MOSFET AO3400A的数据手册,AO3400A的开启电压在常温25℃下为。当环境温度下降到10℃时,电路开始工作。此时NTC型热敏电阻的阻值增大至17.958kΩ,MOSFET导通,即栅源极电压,在这里需要将分压电阻的阻值调整为47kΩ。随着温度的下降,栅源极电压增大,流过发热电阻的电流也随着增大。
举例说明,当环境温度下降到-20℃时,热敏电阻的阻值增大至67.801kΩ,栅源极电压增大至。使用万用表实测得到漏源极电压,说明MOSFET工作在可变电阻区内;同时测得漏极电流,可计算得到发热电阻的功率为,实际发热效果可靠,电路功能实现。
详解mosfet应用在开关电路中的应用后,现在来看看mosfet的开关特性。MOS管最显著的特点也是具有放大能力。不过它是通过栅极电压uGS控制其工作状态的,是一种具有放大特性的由电压uGS控制的开关元件。
1、静态特性
MOS管作为开关元件,同样是工作在截止或导通两种状态。由于MOS管是电压控制元件,所以主要由栅源电压uGS决定其工作状态。图下(a)为由NMOS增强型管构成的开关电路。
2、 漏极特性
反映漏极电流iD和漏极-源极间电压uDS之间关系的曲线族叫做漏极特性曲线,简称为漏极特性,也就是表示函数 iD=f(uDS)|uGS的几何图形,如图(a)所示。当uGS为零或很小时,由于漏极D和源极S之间是两个背靠背的PN结,即使在漏极加上正电压(uDS>0V),MOS管中也不会有电流,也即管子处在截止状态。
当uGS大于开启电压UTN时,MOS管就导通了。因为在UGS=UTN时,栅极和衬底之间产生的电场已增加到足够强的程度,把P型衬底中的电子吸引到交界面处,形成的N型层——反型层,把两个N+区连接起来,也即沟通了漏极和源极。所以,称此管为N沟道增强型MOS管。可变电阻区:当uGS>UTN后,在uDS比较小时,iD与uDS成近似线性关系,因此可把漏极和源极之间看成是一个可由uGS进行控制的电阻,uGS越大,曲线越陡,等效电阻越小,如图(a)所示。恒流区(饱和区):当uGS>UTN后,在uDS比较大时,iD仅决定于uGS(饱和),而与uDS几乎无关,特性曲线近似水平线,D、S之间可以看成为一个受uGS控制的电流源。在数字电路中,MOS管不是工作在截止区,就是工作在可变电阻区,恒流区只是一种瞬间即逝的过度状态。
3、转移特性
反映漏极电流iD和栅源电压uGS关系的曲线叫做转移特性曲线,简称为转移特性,也就是表示函数 iD=f(uGS)|uDS的几何图形,如图(b )所示。当uGS<UTN时,MOS管是截止的。当uGS>UTN之后,只要在恒流区,转移特性曲线基本上是重合在一起的。曲线越陡,表示uGS对iD的控制作用越强,也即放大作用越强,且常用转移特性曲线的斜率跨导gm来表示。
4、P沟道增强型MOS管
上面讲的是N沟道增强型MOS管。对于P沟道增强型MOS管,无论是结构、符号,还是特性曲线,与N沟道增强型MOS管都有着明显的对偶关系。其衬底是N型硅,漏极和源极是两个P+区,而且它的uGS、uDS极性都是负的,开启电压UTP也是负值。P沟道增强型MOS管的结构、符号、漏极特性和转移特性如图所示。
联系方式:邹先生
联系电话:0755-83888366-8022
手机:18123972950
QQ:2880195519
联系地址:深圳市福田区车公庙天安数码城天吉大厦CD座5C1
请搜微信公众号:“KIA半导体”或扫一扫下图“关注”官方微信公众号
请“关注”官方微信公众号:提供 MOS管 技术帮助

