实亿国际

实亿国际

国家高新企业

cn

新闻中心

电源mos管驱动电路如何选型 电源mos管优质品牌推荐-KIA MOS管

信息来源:本站 日期:2020-08-19 

分享到:

电源mos管驱动电路如何选型 电源mos管优质品牌推荐

电源mos管,选择到一款正确的MOS管,可以很好地控制生产制造成本,最为重要的是,为产品匹配了一款最恰当的元器件,这在产品未来的使用过程中,将会充分发挥其“螺丝钉”的作用,确保设备得到最高效、最稳定、最持久的应用效果。今天分享一下电源mos管驱动电路如何选型,请看下文详情。


1、电源IC直接驱动MOSFET

电源mos管

图1 IC直接驱动MOSFET

电源IC直接驱动是我们最常用的驱动方式,同时也是最简单的驱动方式,使用这种驱动方式,应该注意几个参数以及这些参数的影响。第一,查看一下电源IC手册,其最大驱动峰值电流,因为不同芯片,驱动能力很多时候是不一样的。


第二,了解一下MOSFET的寄生电容,如图1中C1、C2的值。如果C1、C2的值比较大,MOS管导通的需要的能量就比较大,如果电源IC没有比较大的驱动峰值电流,那么管子导通的速度就比较慢。如果驱动能力不足,上升沿可能出现高频振荡,即使把图 1中Rg减小,也不能解决问题! IC驱动能力、MOS寄生电容大小、MOS管开关速度等因素,都影响驱动电阻阻值的选择,所以Rg并不能无限减小。


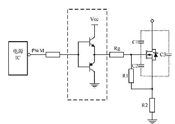
2、电源IC驱动能力不足时

如果选择MOS管寄生电容比较大,电源IC内部的驱动能力又不足时,需要在驱动电路上增强驱动能力,常使用图腾柱电路增加电源IC驱动能力,其电路如图 2虚线框所示。

电源mos管

图2 图腾柱驱动MOS


这种驱动电路作用在于,提升电流提供能力,迅速完成对于栅极输入电容电荷的充电过程。这种拓扑增加了导通所需要的时间,但是减少了关断时间,开关管能快速开通且避免上升沿的高频振荡。


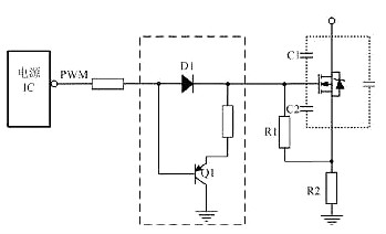
3、驱动电路加速MOS管关断时间

电源mos管

图3 加速MOS关断


关断瞬间驱动电路能提供一个尽可能低阻抗的通路供MOSFET栅源极间电容电压快速泄放,保证开关管能快速关断。为使栅源极间电容电压的快速泄放,常在驱动电阻上并联一个电阻和一个二极管,如图3所示,其中D1常用的是快恢复二极管。这使关断时间减小,同时减小关断时的损耗。Rg2是防止关断的时电流过大,把电源IC给烧掉。

电源mos管

图4 改进型加速MOS关断


在第二点介绍的图腾柱电路也有加快关断作用。当电源IC的驱动能力足够时,对图2中电路改进可以加速MOS管关断时间,得到如图4所示电路。用三极管来泄放栅源极间电容电压是比较常见的。如果Q1的发射极没有电阻,当PNP三极管导通时,栅源极间电容短接,达到最短时间内把电荷放完,最大限度减小关断时的交叉损耗。与图3拓扑相比较,还有一个好处,就是栅源极间电容上的电荷泄放时电流不经过电源IC,提高了可靠性。


4、驱动电路加速MOS管关断时间

电源mos管

图5 隔离驱动


为了满足如图5所示高端MOS管的驱动,经常会采用变压器驱动,有时为了满足安全隔离也使用变压器驱动。其中R1目的是抑制PCB板上寄生的电感与C1形成LC振荡,C1的目的是隔开直流,通过交流,同时也能防止磁芯饱和。


5、当源极输出为高电压时的驱动

当源极输出为高电压的情况时,我们需要采用偏置电路达到电路工作的目的,既我们以源极为参考点,搭建偏置电路,驱动电压在两个电压之间波动,驱动电压偏差由低电压提供,如下图6所示。

电源mos管

图6 源极输出为高电压时的驱动电路


除了以上驱动电路之外,还有很多其它形式的驱动电路。对于各种各样的驱动电路并没有一种驱动电路是最好的,只有结合具体应用,选择最合适的驱动。


电源mos管厂家介绍

深圳市可易亚半导体科技有限公司.是一家专业从事中、大、功率场效应管(MOSFET)、快速恢复二极管、三端稳压管开发设计,集研发、生产和销售为一体的国家高新技术企业。

电源mos管


KIA半导体已经拥有了独立的研发中心,研发人员以来自韩国(台湾)超一流团队,可以快速根据客户应用领域的个性来设计方案,同时引进多台国外先进设备,业务含括功率器件的直流参数检测、雪崩能量检测、可靠性实验、系统分析、失效分析等领域。

电源mos管


强大的研发平台,使得KIA在工艺制造、产品设计方面拥有知识产权35项,并掌握多项场效应管核心制造技术。自主研发已经成为了企业的核心竞争力。

电源mos管


从设计研发到制造再到仓储物流,KIA半导体真正实现了一体化的服务链,真正做到了服务细节全到位的品牌内涵,我们致力于成为场效应管(MOSFET)功率器件领域的领跑者,为了这个目标,KIA半导体正在持续创新,永不止步!

电源mos管


联系方式:邹先生

联系电话:0755-83888366-8022

手机:18123972950

QQ:2880195519

联系地址:深圳市福田区车公庙天安数码城天吉大厦CD座5C1


请搜微信公众号:“KIA半导体”或扫一扫下图“关注”官方微信公众号

请“关注”官方微信公众号:提供 MOS管 技术帮助





3000万彩票-追求健康,你我一起成长 乐发IV - welcome u284彩票- 欢迎您 实亿国际(中国区)官方网站 永兴集团yx06 5630彩票(中国区)官方网站 佰利乐·(中国区)有限公司官网 金彩汇 - welcome首页