实亿国际

实亿国际

国家高新企业

cn

新闻中心

实亿国际MOS管开关电流知识-mosfet管开关电流波形问题分析-KIA MOS管

信息来源:本站 日期:2020-07-24 

分享到:

MOS管开关电流知识-mosfet管开关电流波形问题分析

MOS管开关电路

MOS管开关电路是利用MOS管栅极(g)控制MOS管源极(s)和漏极(d)通断的原理构造的电路。因MOS管分为N沟道与P沟道,所以开关电路也主要分为两种。


P沟道MOS管开关电路

路编辑PMOS的特性,Vgs小于一定的值就会导通,适合用于源极接VCC时的情况(高端驱动)。需要注意的是,Vgs指的是栅极G与源极S的电压,即栅极低于电源一定电压就导通,而非相对于地的电压。但是因为PMOS导通内阻比较大,所以只适用低功率的情况。大功率仍然使用N沟道MOS管。


N沟道mos管开关电路

NMOS的特性,Vgs大于一定的值就会导通,适合用于源极接地时的情况(低端驱动),只要栅极电压大于参数手册中给定的Vgs就可以了,漏极D接电源,源极S接地。需要注意的是Vgs指的是栅极G与源极S的压差,所以当NMOS作为高端驱动时候,当漏极D与源极S导通时,漏极D与源极S电势相等,那么栅极G必须高于源极S与漏极D电压,漏极D与源极S才能继续导通。


mosfet管开关电流波形问题分析

MOS管,开关电流,MOSFET

图1

这里就用MOSFET代替BJT了,所以ids = ic,Vds=Vce,Coss也就是Cds代表输出电容。简单来说就是当MOS管一开始导通时输出电容Coss还保持Vds电压,随着Ids电流越来越大,Vds电压终于保持不住,开始下降。直到管子完全开启。比较详细的开启过程是由Miller Plateau造成的,这里借用了网上一些解释Miller Plateau的图,如果有不清楚的就请见谅了。


阶段1,Vgs 《 Vth,管子是关断的,所以Ids = 0,Vds=high,ig充电Cgs。


阶段2,Vgs 》 Vth,管子开启,Ids从0增加到iL被外部电流源电感钳住,Coss(Cds)上电压不能突变,保持Vds。


阶段3,进入Miller plateau,Vgs 》 Vth,管子仍然保持开启,Coss开始discharge,Vds电压开始下降,于此同时Cgd开始被ig充电。Vg保持不变。


阶段4,Vd下降到接近0点,ig继续给ig充电Cgs和Cgd充电。


阶段5,Vg到达gate driver预定的电压,管子开启过程完成。


关断过程和开启过程类似,也会有Miller plateau效应。


我们可以看到,如果如果MOS管开启时VDS上有原始电压,那么MOS开启过程中就会有Ids和Vds的重叠,那么会带来Switching Loss。由于Coss上的能量在极短时间内被释放,电容上能量会损失掉(换算为Loss为0.5*Coss*Vds^2*fs),而且只要是非零电压开启(Non Zero Voltage Switching),会给PCB和MOS的寄生电感与电容形成的谐振腔(resonant tank)引入比较大的dv/dt或者di/dt激励,引起比较大的ringing,甚至超过管子的额定电压,烧毁管子。


那么我们可以避免这种情况的发生吗?答案是可以的,也就是很多人提到的Zero Voltage Switching,虽然会付出一定的代价。我们先看如何能实现软开关开启Zero Voltage Switching Turn on。

MOS管,开关电流,MOSFET

图2

实现ZVS turn on很简单,只需要在我们开启管子前,Vds上的电压为零就好,这样Ids和Vds就没有重叠了,turn on switching loss为零,没有high di/dt, dv/dt问题,没有ringing,完美!那么如何实现ZVS turn on呢?个人觉得分两种情况讨论:1为PWM converter,2为resonant converter(谐振变换器)。


一, 对于PWM converter,就拿最简单的两个管子的half bridge(其实也就是buck converter)做例子。

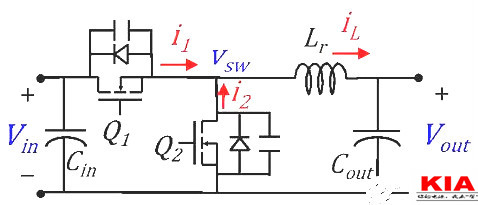
MOS管,开关电流,MOSFET

图3

对于half bridge 实现ZVS turn on,我们希望当上管Q1开启时电流是流进switching node (vsw)的,也就是图中电感电流为负值,当下管Q2开启时我们希望电流是流出switching node (vsw)的,也就是电感电流为正值。为什么这样就可以实现ZVS turn on了呢?我们就看上管Q1开启过程。如果电感电流iL为负,这时候我们先关闭Q2,这时候Q1还未开启,在这个deadTIme中iL会charge Q2的Coss,使Vsw抬高到Vin,当然不能超过Vin,因为Q1的body diode会导通,钳位住Vsw到Vin,这时候Q1的Vds就是Vin-Vsw=0,这时候我们开启Q1就实现ZVS了。


同理对于Q2开启时,如果电感电流为正,那么当我们首先关闭Q1管时,Vsw就会被电感电流拉低到0,因为iL》0, Q2的Coss会discharged到0,然后我们再开启Q2,就可以达到ZVS了。这里我有一张其他Topology的PWM converter的波形图,也和buck工作原理类似,大概可以看看基本原理,也就是电感电流为负时,Q1可以实现ZVS,让Vsw的ringing比较小。而当电感电流为正时,实现不了ZVS,Vsw的ringing就比较大了。


MOS管,开关电流,MOSFET

图4


二, 对于resonant converter,其实道理类似,我们也希望在我们开启管子前,Vds上的电压为零。那么对于resonant converter的half bridge,我们希望看到的impedance为inducTIve,也就是感性的,这样switching node流出的电流I就会滞后于电压V,现在ZVS turn on。

MOS管,开关电流,MOSFET

图5


这是因为如果电流I是滞后与电压V的,这样在Q1开启之前电流I为负值就会charge Q2的Coss,同时discharge Q1的Coss,让V到Vin,这样Q1就实现ZVS turn on了。Q2开启之前,电流I为正,也会discharge Q2的Coss,和charge Q1的Coss,让V到0,这样Q2就实现ZVS了。


联系方式:邹先生

联系电话:0755-83888366-8022

手机:18123972950

QQ:2880195519

联系地址:深圳市福田区车公庙天安数码城天吉大厦CD座5C1


请搜微信公众号:“KIA半导体”或扫一扫下图“关注”官方微信公众号

请“关注”官方微信公众号:提供 MOS管 技术帮助








3000万彩票-追求健康,你我一起成长 乐发IV - welcome u284彩票- 欢迎您 实亿国际(中国区)官方网站 永兴集团yx06 5630彩票(中国区)官方网站 佰利乐·(中国区)有限公司官网 金彩汇 - welcome首页