实亿国际

实亿国际

国家高新企业

cn

新闻中心

实亿国际mos管开关电路-mos管电子开关实现多点控制是如何做到的-KIA MOS管

信息来源:本站 日期:2020-06-02 

分享到:

mos管开关电路-mos管电子开关实现多点控制是如何做到的

mos管开关电路

MOS管开关电路是利用一种电路,是利用MOS管栅极(g)控制MOS管源极(s)和漏极(d)通断的原理构造的电路。MOS管分为N沟道与P沟道,所以开关电路也主要分为两种。


P沟道MOS管开关电路

PMOS的特性,Vgs小于一定的值就会导通,适合用于源极接VCC时的情况(高端驱动)。需要注意的是,Vgs指的是栅极G与源极S的电压,即栅极低于电源一定电压就导通,而非相对于地的电压。但是因为PMOS导通内阻比较大,所以只适用低功率的情况。大功率仍然使用N沟道MOS管。


N沟道mos管开关电路

NMOS的特性,Vgs大于一定的值就会导通,适合用于源极接地时的情况(低端驱动),只要栅极电压大于参数手册中给定的Vgs就可以了,漏极D接电源,源极S接地。需要注意的是Vgs指的是栅极G与源极S的压差,所以当NMOS作为高端驱动时候,当漏极D与源极S导通时,漏极D与源极S电势相等,那么栅极G必须高于源极S与漏极D电压,漏极D与源极S才能继续导通。


mos管电子开关实现多点控制详解

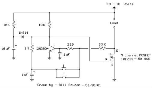
mos管电子开关实现多点控制电路是由约翰·伦德格伦改编自“拨动开关去抖的按钮”。需要从一个位置接通和从另一个位置关掉负载,这个电路是有用的。任何数量的瞬间(N / O)开关或按钮可并行连接。


在原理图上的左侧的组合(10K,10uF和二极管)保证了电路接通电源时保持负载断开状态。如果初始上电状态不是一个问题,这些组件可以被省略。

MOS管,mos管电子开关实现多点控制


当开关按下时,1uF电容被连接到220欧姆和33K电阻连接点,NPN晶体管截止,mos管导通开启负载。释放按钮后,1uF电容通过1M电阻充电。第二次按下开关,1uF电容充电后的电压被加载到NPN晶体管基极,晶体管导通,mos管关闭,负载断电。


当开关按下时,1uF电容被连接到220欧姆和33K电阻连接点,NPN晶体管截止,mos管导通开启负载。释放按钮后,1uF电容通过1M电阻充电。第二次按下开关,1uF电容充电后的电压被加载到NPN晶体管基极,晶体管导通,mos管关闭,负载断电。


在晶体管的基极加入0.1uF电容,拦截噪声可能造成的误触发,如果开关位于远离电路。使用12伏,25瓦特汽车灯,和IRFZ44的电路进行了测试。其他的MOSFET大概可以使用。


联系方式:邹先生

联系电话:0755-83888366-8022

手机:18123972950

QQ:2880195519

联系地址:深圳市福田区车公庙天安数码城天吉大厦CD座5C1


请搜微信公众号:“KIA半导体”或扫一扫下图“关注”官方微信公众号

请“关注”官方微信公众号:提供 MOS管 技术帮助