实亿国际

实亿国际

国家高新企业

cn

新闻中心

MOS管 70A/30V KCX3503S参数 价格 封装 原厂正品-KIA MOS管

实亿国际信息来源:本站 日期:2020-05-28 

分享到:

MOS管 70A/30V KCX3503S参数 价格 封装 原厂正品

MOS管 70A/30V KCX3503S产品介绍

深圳市可易亚半导体科技有限公司.是一家专业从事中、大、功率场效应管(MOSFET)、快速恢复二极管、三端稳压管开发设计,集研发、生产和销售为一体的国家高新技术企业。

MOS管,70A/30V,KCX3503S


KIA半导体有强大的研发平台,使得KIA在工艺制造、产品设计方面拥有知识产权35项,并掌握多项场效应管核心制造技术。自主研发已经成为了企业的核心竞争力。

MOS管,70A/30V,KCX3503S


从设计研发到制造再到仓储物流,KIA半导体真正实现了一体化的服务链,真正做到了服务细节全到位的品牌内涵,我们致力于成为场效应管(MOSFET)功率器件领域的领跑者,为了这个目标,KIA半导体正在持续创新,永不止步!


MOS管 70A/30V KCX3503S产品参数详情

MOS管,70A/30V,KCX3503S

MOS管,70A/30V,KCX3503S

MOS管,70A/30V,KCX3503S


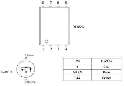
MOS管 70A/30V KCX3503S产品封装图

MOS管,70A/30V,KCX3503S


MOS管 70A/30V KCX3503S产品规格书

查看及下载规格书,请点击下图。

MOS管,70A/30V,KCX3503S


联系方式:邹先生

联系电话:0755-83888366-8022

手机:18123972950

QQ:2880195519

联系地址:深圳市福田区车公庙天安数码城天吉大厦CD座5C1


请搜微信公众号:“KIA半导体”或扫一扫下图“关注”官方微信公众号

请“关注”官方微信公众号:提供 MOS管 技术帮助