实亿国际

实亿国际

国家高新企业

cn

新闻中心

功率放大器电路图-功率放大器工作原理与组成等详解-KIA MOS管

信息来源:本站 日期:2020-04-15 

分享到:

功率放大器电路图-功率放大器工作原理与组成详解

功率放大器电路图是本文主要讲的内容,我们先来看看什么是功率放大器。功率放大器(英文名称:power amplifier),简称“功放”,是指在给定失真率条件下,能产生最大功率输出以驱动某一负载(例如扬声器)的放大器。功率放大器在整个音响系统中起到了“组织、协调”的枢纽作用,在某种程度上主宰着整个系统能否提供良好的音质输出。


功率放大器的基本组成

功率放大器通常由3部分组成:前置放大器、驱动放大器、末级功率放大器。


1、前置放大器起匹配作用,其输入阻抗高(不小于10kΩ),可以将前面的信号大部分吸收过去,输出阻抗低(几十Ω以下),可以将信号大部分传送出去。同时,它本身又是一种电流放大器,将输入的电压信号转化成电流信号,并给予适当的放大。


功率放大器电路图


2、 驱动放大器起桥梁作用,它将前置放大器送来的电流信号作进一步放大,将其放大成中等功率的信号驱动末级功率放大器正常工作。如果没有驱动放大器,末级功率放大器不可能送出大功率的声音信号。


3、末级功率放大器起关键作用。它将驱动放大器送来的电流信号形成大功率信号,带动扬声器发声,它的技术指标决定了整个功率放大器的技术指标。


功率放大器工作原理

功率放大器电路图,功率放大器工作原理解析。利用三极管的电流控制作用或场效应管的电压控制作用将电源的功率转换为按照输入信号变化的电流。因为声音是不同振幅和不同频率的波,即交流信号电流,三极管的集电极电流在放大区中恒为基极电流的β倍,β是三极管的电流放大系数,应用这一点,若将小信号注入基极,则集电极流过的电流会等于基极电流的β倍,然后将这个信号用隔直电容隔离出来,就得到了电流(或电压)是原先的β倍的大信号,这现象成为三极管的放大作用。经过不断的电流放大,就完成了功率放大。


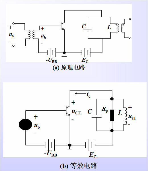
高频功率放大器的基本电路结构图


功率放大器电路图


功率放大器电路图

下面我们介绍几种常见的放大电路:


低频电压放大器


低频电压放大器是指工作频率在 20 赫~ 20 千赫之间、输出要求有一定电压值而不要求很强的电流的放大器。


(1)共发射极放大电路

图1(a)是共发射极放大电路。C1是输入电容,C2是输出电容,三极管VT就是起放大作用的器件, RB 是基极偏置电阻 ,RC 是集电极负载电阻。1、3端是输入,2 、3 端是输出。3 端是公共点,通常是接地的,也称“地”端。静态时的直流通路见图1(b),动态时交流通路见图1(c)。电路的特点是电压放大倍数从十几到一百多,输出电压的相位和输入电压是相反的,性能不够稳定,可用于一般场合。


功率放大器电路图


(2)分压式偏置共发射极放大电路

图2比图1多用3个元件。基极电压是由RB1和RB2分压取得的,所以称为分压偏置。发射极中增加电阻 RE 和电容 CE ,CE 称交流旁路电容,对交流是短路的; RE 则有直流负反馈作用。所谓反馈是指把输出的变化通过某种方式送到输入端,作为输入的一部分。如果送回部分和原来的输入部分是相减的,就是负反馈。图中基极真正的输入电压是 RB2 上电压和 RE 上电压的差值,所以是负反馈。由于采取了上面两个措施,使电路工作稳定性能提高,是应用最广的放大电路。


功率放大器电路图


(3)射极输出器

图3(a)是一个射极输出器。它的输出电压是从射极输出的。图3(b)是它的交流通路图,可以看到它是共集电极放大电路。


功率放大器电路图


这个图中,晶体管真正的输入是Vi和Vo的差值,所以这是一个交流负反馈很深的电路。由于很深的负反馈,这个电路的特点是:电压放大倍数小于 1 而接近 1 ,输出电压和输入电压同相,输入阻抗高输出阻抗低,失真小,频带宽,工作稳定。它经常被用作放大器的输入级、输出级或作阻抗匹配之用。


(4)低频放大器的耦合

一个放大器通常有好几级,级与级之间的联系就称为耦合。放大器的级间耦合方式有三种: ①RC 耦合,见图4(a)。优点是简单、成本低。但性能不是最佳。 ② 变压器耦合,见图 4 (b)。优点是阻抗匹配好、输出功率和效率高,但变压器制作比较麻烦。 ③ 直接耦合,见图4(c)。优点是频带宽,可作直流放大器使用,但前后级工作有牵制,稳定性差,设计制作较麻烦。


功率放大器


功率放大器电路图


能把输入信号放大并向负载提供足够大的功率的放大器叫功率放大器。例如收音机的末级放大器就是功率放大器。


(1)甲类单管功率放大器


功率放大器电路图


图 5 是单管功率放大器,C1是输入电容,T是输出变压器。它的集电极负载电阻 Ri′ 是将负载电阻 R L 通过变压器匝数比折算过来的:


RC′=( N1 N2 )2RL=N2RL


负载电阻是低阻抗的扬声器,用变压器可以起阻抗变换作用,使负载得到较大的功率。


这个电路不管有没有输入信号,晶体管始终处于导通状,静态电流比较大,困此集电极损耗较大,效率不高,大约只有 35 %。这种工作状态被称为甲类工作状态。这种电路一般用在功率不太大的场合,它的输入方式可以是变压器耦合也可以是 RC 耦合。


(2)乙类推挽功率放大器

图6是常用的乙类推挽功率放大电路。它由两个特性相同的晶体管组成对称电路,在没有输入信号时,每个管子都处于截止状态,静态电流几乎是零,只有在有信号输入时管子才导通,这种状态称为乙类工作状态。当输入信号是正弦波时,正半周时 VT1 导通 VT2 截止,负半周时 VT2 导通 VT1 截止。两个管子交替出现的电流在输出变压器中合成,使负载上得到纯正的正弦波。这种两管交替工作的形式叫做推挽电路。


功率放大器电路图


乙类推挽放大器的输出功率较大,失真也小,效率也较高,一般可达 60 %。


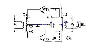
( 3 ) OTL 功率放大器

目前广泛应用的无变压器乙类推挽放大器,简称 OTL 电路,是一种性能很好的功率放大器。为了易于说明,先介绍一个有输入变压器没有输出变压器的 OTL 电路,如图7。


功率放大器电路图


这个电路使用两个特性相同的晶体管,两组偏置电阻和发射极电阻的阻值也相同。在静态时, VT1 、 VT2 流过的电流很小,电容 C 上充有对地为 1 2 E c 的直流电压。在有输入信号时,正半周时 VT1 导通, VT2 截止,集电极电流 i c1 方向如图所示,负载 RL 上得到放大了的正半周输出信号。负半周时 VT1 截止, VT2 导通,集电极电流 i c2 的方向如图所示, RL 上得到放大了的负半周输出信号。这个电路的关键元件是电容器 C ,它上面的电压就相当于 VT2 的供电电压。


以这个电路为基础,还有用三极管倒相的不用输入变压器的真正 OTL 电路,用 PNP 管和 NPN 管组成的互补对称式 OTL 电路,以及最新的桥接推挽功率放大器,简称 BTL 电路等等。


联系方式:邹先生

联系电话:0755-83888366-8022

手机:18123972950

QQ:2880195519

联系地址:深圳市福田区车公庙天安数码城天吉大厦CD座5C1


请搜微信公众号:“KIA半导体”或扫一扫下图“关注”官方微信公众号

请“关注”官方微信公众号:提供  MOS管  技术帮助