实亿国际

实亿国际

国家高新企业

cn

新闻中心

实亿国际驱动双极型晶体管的电路

信息来源:本站 日期:2017-05-17 

分享到:

其他类型的基极驱动电路

在过去的几年里 ,出现了许多专门用于驱动双极型晶体管的电路 。它们大多应用于低功率场合 ,这些电路通过各种方法来达到以 F两个目标 :①用最少的元器件获得反向基极电压和反向基极电流,或者在关断和导通的过相巾将基极和发射极短路:②在主电路电流最大的时候,正向基极电流足够驱动卢值小的晶体管 ,同时不会在主电路电流最小时驱动卢值大的晶 体管而产生存储时间过长的问题 。下面将给出些例子。

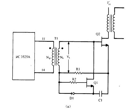
设计了如图 8.14 C a )所示的电路 ,用在 lOOOW 的离线式电源中该电路的主要特性是 ,在 Q2 即将关断时导通 QI ,并通过变压器 Tl 将电流和 2V 反向基极偏置电压提 供给功率晶体管 Q2o 它既可驱动下桥臂的功率晶体管 ,也可工作在MOS管电源开关电路中来驱动上桥臂的晶体管。这个电路在低功率场合也得到了广泛应用  。它的工作原理如下 。

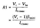
假设( 图 8.14 C b ) 电压在 Q2 半个周期的部分时间内为高 ,其余时间内 Q2 将 关断 ( Q2 的死区),Ns 上的电压被钳位为零 。在下半个周期里 ,电压反向对磁心进行复位。将芯片的输出脚 11 和输出脚 14 连接于初级,就可以获得所需的波形了。适当选择变压器Tl 的比使次级电压 Vs 约为 4V。再选择合适的电阻 RI ,给 Q2 基极限流 ,并能够以要求的速度将 P 值最小的晶体管MOS管驱动至饱和导通 ,即

实亿国际 Ns 上的电压约为 4V,  R I 上的电压约为 3V, 左端被充电到相对 Q2 发射极为一2V, RI 左端电位相对于 Q2 发射极为一3V 。当 R l 中有电流流过时,Ql 有一lV 反偏电压 ,处于关 断状态。

实亿国际 在死区初始时刻 ,Vs 跌落至零 ,Q2 快速关断 ,其存储时间越小越好 。一旦 Vs 下降为零, Cl  左端电位将比 Q2 发射极电位低 2V, 就相当于一个 2V  的浮充电源,给由 R l 、R2  和 Ql  的基射极串联构成的电路供电 。

此时,QI 导通 ,提供 Q2 基射极间的 2V 反向偏置电压 ,Q2 关断。Q2 基极的反向电流 具体是多少并不能确定 。QI 为 2N2222A 型管,它是一种流过 500mA 电流时,最小增益为 50 的快速晶体管 ,这足够令 Q2 快速关断了 ,且存储时间也足够小 。在 风的同名端再次为正 时,QI  因墓极反偏而关断 。

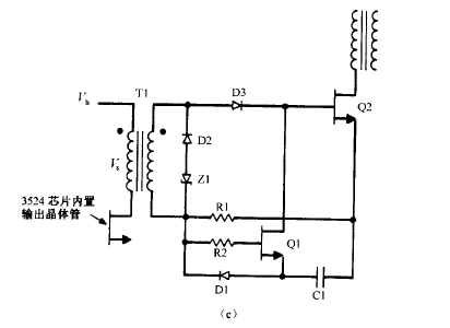
如图 8.14 C c ) 所示,该电路用更为便宜的 SG3524 芯片取代了 UC3525 。在这里 ,当 Vs 极性反向时 ,稳压二极管 Zl ( 3.3V ) 和二极管 D2 对其进行钳位 ,并在设定的时间内对磁心 进行复位 。为了避免被 QI   钳位 ,二极管 D3  用来阻断复位电压 。

Cl 通过 DI 被充至一个浮充偏置电压 ,它通过R I 和 R2 的串联电路导通 Qla Ql 导通时, 将 Q2 基极电压拉低到一 2V ,从而关断 Q2。由于增加了二极管 D3, Tl 的臣比需要根据使 Vs 获得约 5V 电压的要求进行选择。

图 8.14 (a) Wood 基极MOS驱动电路 。当 N,的同名端为正,Q2 导通时,其基极电流被 Rl 限制。电压 V,的选 择应满足使在流过己知基极电流的时候 Rl 上约有 4V 的电压。若 Rl 上电压为 4V ,则 Cl 通过 D1 充电至 3V 。当 N,上有电压时,QI 被反向偏置而关断 。当 NP 上的电压跌落至零时 ,N,上的电压 也跌落至零 。Cl 上的 3V 电压通过电阻 Rl 和 R2 将 Ql 导通。这样就给 Q2 的基极施加上 3V 的 反向偏置电压 ,并令其迅速关断 。C c) 在电路中增加 D3, Zl 和 D2 ,允许 Tl 直接连接到 3524 芯 片的输出晶体管集电极上。

实亿国际 联系方式:邹先生

手机:18123972950

QQ:2880195519

联系地址:深圳市福田区车公庙天安数码城天吉大厦CD座5C1


实亿国际 关注KIA半导体工程专辑请搜微信号:“KIA半导体”或点击本文下方图片扫一扫进入官方微信“关注”

实亿国际 长按二维码识别关注

3000万彩票-追求健康,你我一起成长 乐发IV - welcome u284彩票- 欢迎您 实亿国际(中国区)官方网站 永兴集团yx06 5630彩票(中国区)官方网站 佰利乐·(中国区)有限公司官网 金彩汇 - welcome首页