220v感应加热电路大全(七款电路图文)解析-感应加热基础知识-KIA MOS管
信息来源:本站 日期:2019-12-27
电磁感应加热,或简称感应加热,是加热导体材料比如金属材料的一种方法。它主要用于金属热加工、热处理、焊接和熔化。
顾名思义,感应加热是利用电磁感应的方法使被加热的材料的内部产生电流,依靠这些涡流的能量达到加热目的。感应加热系统的基本组成包括感应线圈,交流电源和工件。根据加热对象不同,可以把线圈制作成不同的形状。线圈和电源相连,电源为线圈提供交变电流,流过线圈的交变电流产生一个通过工件的交变磁场,该磁场使工件产生涡流来加热。
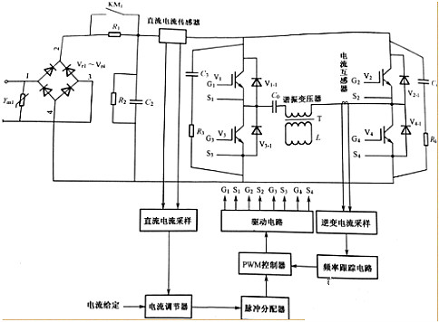
220v的交流电经二极管和电容滤波后,得到直流电压,作为全桥逆变电路的直流侧输入电压。1GBT全桥逆变电路将直流变换成200kHz的交流电。将第四代IGBT用于软开关谐振式逆变电路中,其开关频率可达400kHz以上。变压器的作用是变压和使负载与加热线圈匹配。加热线圈采用多股漆包线绕制成圆形空心线圈。
图2为驱动及保护电路的原理图。图1中高频电流互感器TA对谐振电流进行采样,该采样电流信号经图2中的快恢复二极管V5~V8的全桥整流、电容C4的滤波、电阻Rl3和R15的分压,在过二极管V9加到SG3525A的引脚10(强制关断端)上,起到电流保护作用。电容器C4滤波后的电流信号,再经过电容C5的滤波、RP和R16的分压送至SG3525A的引脚l(误差放大器反相信号输入端),调节电位器RP,可调节输出功率和控制加热速度。
整机采用自然冷却,为了降低空载时的功耗,在系统中增加一个检测被加热件是否通过加热线圈的检测电路。当没有被加热件通过加热线圈时,继电器K的常闭触点闭合,SG3525A引脚16(基准电压端)输出的5V电压加到引脚10,PWM锁存器关断,主电路输出关断。当被加热件从加热线圈内通过时,检测电路输出信号将继电器K的常闭触点打开,SG3525A引脚16的5V电压不再加到引脚10,PWM锁存器去锁,系统处于加热状态。
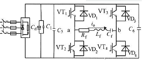
图3给出了另外一种高频加热变频电源的实例。这是一种金属针布高频感应加热变频电源的原理图。图中的主电路是二极管整流串联谐振式1GBT逆变电路。该电路的主要特点是工作在软开关状态,其工作原理在本站的相关文章中有介绍。

图3金属针布高频感应加热变频电源的原理图
如图,+300V左右的直流电压经R5、P6及R7分压取样,并经D24隔离后送入LM339N的⑧脚(比较器反相输入端);同时,+5V电压经R32、R33分压后,加到LM339M的⑨脚(比较器同相输入端)。当十300V直流电压超过设定值时,LM339N⑧脚的电压高于⑨脚电压,比较器立即翻转,LM339N的14脚输出为低电平,并经过D14将LM339N②脚电压迅速拉低,使TA8316s的①脚无脉冲信号输入。
交流220V电压经D1、D2整流后分为两路:一路经R38、R39分压取样后,经RL40送到N6(9014)的基极,使N6导通,HT46R47(IC3)的④脚为低电平。当电源电压低于设定值时,N6截止,HT46RL47④脚为高电平,HT46R47⑩脚停止输出脉冲信号;另一路经K35、R36分压取样并经D17隔离后,送到HT46R47的⑤脚。当电源电压高于设定值时,HT46R47⑩脚将停止输出脉冲信号。
该机的感应加热电路主要由加热线圈L、谐振电容cl(2μF/1200V)、门控管N10((GP20B120UD-E)和阻尼二极管D25(BY359X)组成。其工作原理简述如下:当门控管N10导通时,流过加热线圈L的电流迅速增大;当门控管截止时,储存在L中的电能向谐振电容C1充电,随即C1又向加热线圈放电。如此循环,即C1和L发生并联谐振,L周围便会产生高频电磁场,该电磁场使放在电磁炉灶面上的铁锅感应到强大的涡流,从而产生热量对食物进行加热。
如图所示,交流220V电源电压经电源变压器T1降压后,生成16.5V、12V、5V直流电压供各路负载使用。
C1、C2、C3、L1以及T1的次级(左侧)共同构成了一个串联谐振回路,因为变压器次级存在漏感,回路的走线也存在分布电感,所以实际谐振频率要比单纯用C1-C3容量与L1电感量计算的谐振频率略低。图中L1实际上为1uH,我将漏感分布电感等加在里面所以为1.3uH,如图参数谐振频率为56.5KHz。
串联谐振式感应加热电源工作主电路
感应加热表面淬火是利用电磁感应原理,在工件表面层产生密度很高的感应电流,迅速加热至奥氏体状态,随后快速冷却得到马氏体组织的淬火方法,。当感应圈中通过一定频率的交流电时,在其内外将产生与电流变化频率相同的交变磁场。
金属工件放入感应圈内,在磁场作用下,工件内就会产生与感应圈频率相同而方向相反的感应电流。由于感应电流沿工件表面形成封闭回路,通常称为涡流。此涡流将电能变成热能,将工件的表面迅速加热。
涡流主要分布于工件表面,工件内部几乎没有电流通过,这种现象称为表面效应或集肤效应。感应加热就是利用集肤效应,依靠电流热效应把工件表面迅速加热到淬火温度的。感应圈用紫铜管制做,内通冷却水。当工件表面在感应圈内加热到一定温度时,立即喷水冷却,使表面层获得马氏体组织。
联系方式:邹先生
联系电话:0755-83888366-8022
手机:18123972950
QQ:2880195519
联系地址:深圳市福田区车公庙天安数码城天吉大厦CD座5C1
请搜微信公众号:“KIA半导体”或扫一扫下图“关注”官方微信公众号
请“关注”官方微信公众号:提供 MOS管 技术帮助