实亿国际

实亿国际

国家高新企业

cn

新闻中心

功率放大电路知识-功率放大电路图及用途详解-KIA MOS管

信息来源:本站 日期:2019-11-29 

分享到:

功率放大电路知识-功率放大电路图及用途详解

功率放大电路简介

功率放大电路是一种以输出较大功率为目的的放大电路。它一般直接驱动负载,带载能力要强。功率放大电路通常作为多级放大电路的输出级。


在很多电子设备中,要求放大电路的输出级能够带动某种负载,例如驱动仪表,使指针偏转;驱动扬声器,使之发声;或驱动自动控制系统中的执行机构等。总之,要求放大电路有足够大的输出功率。这样的放大电路统称为功率放大电路。


功率放大电路的基本原则

输出功率大

要求输出功率尽可能大为了获得大的功率输出,要求功放管的电压和电流都有足够大的输出幅度,因此管子往往在接近极限运用状态下工作。


效率要高

效率要高由于输出功率大,因此直流电源消耗的功率也大,这就存在一个效率问题。所谓效率就是负载得到的有用信号功率和电源供给的直流功率的比值。这个比值越大,意味着效率越高。


非线性失真要小

非线性失真要求功率放大电路是在大信号下工作,所以不可避免地会产生非线性失真,而且同一功放管输出功率越大,非线性失真往往越严重,这就使输出功率和非线性失真成为一对主要矛盾。但是,在不同场合下,对非线性失真的要求不同,例如,在测量系统和电声设备中,这个问题显得重要,而在工业控制系统等场合中,则以输出功率为主要目的,对非线性失真的要求就降为次要问题了。


散热少

BJT的散热问题在功率放大电路中,有相当大的功率消耗在管子的集电结上,使结温和管壳温度升高。为了充分利用允许的管耗而使管子输出足够大的功率,放大器件的散热就成为一个重要问题。


参数选择

在功率放大电路中,为了输出较大的信号功率,管子承受的电压要高,通过的电流要大,功率管损坏的可能性也就比较大,所以功率管的参数选择与保护问题也不容忽视。


分析任务

功率放大电路的分析任务是:最大输出功率、最高效率及功率三极管的安全工作参数。在分析方法上,由于管子处于大信号下工作,故通常采用图解法。


功率放大电路用途详解

下面我们介绍几种常见的功率放大电路:


(一)功率放大电路-低频电压放大器

低频电压放大器是指工作频率在 20 赫~ 20 千赫之间、输出要求有一定电压值而不要求很强的电流的放大器。


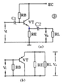
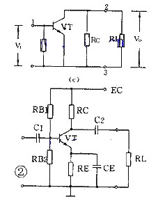
(1)共发射极放大电路

图1(a)是共发射极放大电路。C1是输入电容, C2是输出电容,三极管VT就是起放大作用的器件,RB是基极偏置电阻 ,RC是集电极负载电阻。 1 、 3 端是输入, 2 、 3 端是输出。3端是公共点,通常是接地的,也称“地”端。静态时的直流通路见图 1(b),动态时交流通路见图1(c)。电路的特点是电压放大倍数从十几到一百多,输出电压的相位和输入电压是相反的,性能不够稳定,可用于一般场合。


功率放大电路


(2)分压式偏置共发射极放大电路

图2比图1多用3个元件。基极电压是由RB1和RB2分压取得的,所以称为分压偏置。发射极中增加电阻RE和电容 CE ,CE称交流旁路电容,对交流是短路的; RE 则有直流负反馈作用。所谓反馈是指把输出的变化通过某种方式送到输入端,作为输入的一部分。如果送回部分和原来的输入部分是相减的,就是负反馈。图中基极真正的输入电压是 RB2 上电压和 RE 上电压的差值,所以是负反馈。由于采取了上面两个措施,使电路工作稳定性能提高,是应用最广的放大电路。


功率放大电路


(3)射极输出器

图3(a)是一个射极输出器。它的输出电压是从射极输出的。图3(b)是它的交流通路图,可以看到它是共集电极放大电路。


功率放大电路


这个图中,晶体管真正的输入是Vi和Vo的差值,所以这是一个交流负反馈很深的电路。由于很深的负反馈,这个电路的特点是:电压放大倍数小于1而接近1,输出电压和输入电压同相,输入阻抗高输出阻抗低,失真小,频带宽,工作稳定。它经常被用作放大器的输入级、输出级或作阻抗匹配之用。


(4)低频放大器的耦合

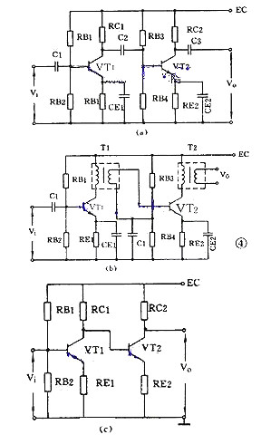
一个放大器通常有好几级,级与级之间的联系就称为耦合。放大器的级间耦合方式有三种: ①RC 耦合,见图4(a)。优点是简单、成本低。但性能不是最佳。 ②变压器耦合,见图 4(b)。优点是阻抗匹配好、输出功率和效率高,但变压器制作比较麻烦。 ③直接耦合,见图4(c)。优点是频带宽,可作直流放大器使用,但前后级工作有牵制,稳定性差,设计制作较麻烦。


(二)功率放大电路-功率放大器


功率放大电路


能把输入信号放大并向负载提供足够大的功率的放大器叫功率放大器。例如收音机的末级放大器就是功率放大器。


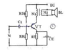
(1)甲类单管功率放大器


功率放大电路


图5是单管功率放大器, C1是输入电容,T是输出变压器。它的集电极负载电阻 Ri′ 是将负载电阻RL通过变压器匝数比折算过来的:


RC′= ( N1 N2 )2 RL=N2RL


负载电阻是低阻抗的扬声器,用变压器可以起阻抗变换作用,使负载得到较大的功率。


这个电路不管有没有输入信号,晶体管始终处于导通状,静态电流比较大,困此集电极损耗较大,效率不高,大约只有 35 %。这种工作状态被称为甲类工作状态。这种电路一般用在功率不太大的场合,它的输入方式可以是变压器耦合也可以是RC耦合。


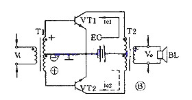
(2)乙类推挽功率放大器

图6是常用的乙类推挽功率放大电路。它由两个特性相同的晶体管组成对称电路,在没有输入信号时,每个管子都处于截止状态,静态电流几乎是零,只有在有信号输入时管子才导通,这种状态称为乙类工作状态。当输入信号是正弦波时,正半周时 VT1 导通 VT2 截止,负半周时 VT2 导通 VT1 截止。两个管子交替出现的电流在输出变压器中合成,使负载上得到纯正的正弦波。这种两管交替工作的形式叫做推挽电路。


功率放大电路


乙类推挽放大器的输出功率较大,失真也小,效率也较高,一般可达60%。


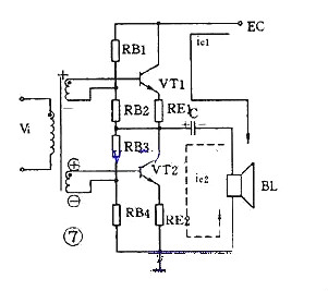
(3)OTL功率放大器

目前广泛应用的无变压器乙类推挽放大器,简称OTL电路,是一种性能很好的功率放大器。为了


易于说明,先介绍一个有输入变压器没有输出变压器的OTL电路,如图7 。


功率放大电路


这个电路使用两个特性相同的晶体管,两组偏置电阻和发射极电阻的阻值也相同。在静态时,VT1、VT2流过的电流很小,电容C上充有对地为12Ec的直流电压。在有输入信号时,正半周时VT1导通, VT2截止,集电极电流ic1方向如图所示,负载RL上得到放大了的正半周输出信号。负半周时 VT1 截止, VT2 导通,集电极电流ic2的方向如图所示, RL上得到放大了的负半周输出信号。这个电路的关键元件是电容器C,它上面的电压就相当于 VT2 的供电电压。


以这个电路为基础,还有用三极管倒相的不用输入变压器的真正OTL电路,用PNP管和NPN 管组成的互补对称式OTL电路,以及最新的桥接推挽功率放大器,简称BTL电路等等。


(三)功率放大电路-直流放大器

能够放大直流信号或变化很缓慢的信号的电路称为直流放大电路或直流放大器。测量和控制方面常用到这种放大器。


( 1 )双管直耦放大器

直流放大器不能用 RC 耦合或变压器耦合,只能用直接耦合方式。图 8 是一个两级直耦放大器。直耦方式会带来前后级工作点的相互牵制,电路中在 VT2 的发射极加电阻 R E 以提高后级发射极电位来解决前后级的牵制。


直流放大器的另一个更重要的问题是零点漂移。所谓零点漂移是指放大器在没有输入信号时,由于工作点不稳定引起静态电位缓慢地变化,这种变化被逐级放大,使输出端产生虚假信号。放大器级数越多,零点漂移越严重。所以这种双管直耦放大器只能用于要求不高的场合。


功率放大电路


( 2 )差分放大器

解决零点漂移的办法是采用差分放大器,图9是应用较广的射极耦合差分放大器。它使用双电源,其中VT1和VT2的特性相同,两组电阻数值也相同,RE有负反馈作用。实际上这是一个桥形电路,两个R C和两个管子是四个桥臂,输出电压V0从电桥的对角线上取出。没有输入信号时,因为 RC1=RC2 和两管特性相同,所以电桥是平衡的,输出是零。由于是接成桥形,零点漂移也很小。


功率放大电路


差分放大器有良好的稳定性,因此得到广泛的应用。


(四)功率放大电路-集成运算放大器

集成运算放大器是一种把多级直流放大器做在一个集成片上,只要在外部接少量元件就能完成各种功能的器件。因为它早期是用在模拟计算机中做加法器、乘法器用的,所以叫做运算放大器。它有十多个引脚,一般都用有3个端子的三角形符号表示,如图10 。它有两个输入端、 1 个输出端,上面那个输入端叫做反相输入端,用“ — ”作标记;下面的叫同相输入端,用“+”作标记。


功率放大电路


集成运算放大器可以完成加、减、乘、除、微分、积分等多种模拟运算,也可以接成交流或直流放大器应用。在作放大器应用时有:


(1)带调零的同相输出放大电路

图11是带调零端的同相输出运放电路。引脚 1 、11 、12是调零端,调整RP可使输出端(8)在静态时输出电压为零。9 、 6两脚分别接正、负电源。输入信号接到同相输入端(5),因此输出信号和输入信号同相。放大器负反馈经反馈电阻 R2 接到反相输入端(4)。同相输入接法的电压放大倍数总是大于1的。


功率放大电路


( 2 )反相输出运放电路

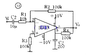
也可以使输入信号从反相输入端接入,如图12 。如对电路要求不高,可以不用调零,这时可以把 3 个调零端短路。


功率放大电路


输入信号从耦合电容C1经R1接入反相输入端,而同相输入端通过电阻R3接地。反相输入接法的电压放大倍数可以大于1 、等于1或小于1 。


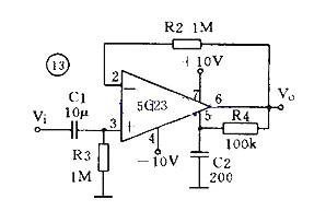
( 3 )同相输出高输入阻抗运放电路

图13中没有接入 R1 ,相当于 R1 阻值无穷大,这时电路的电压放大倍数等于 1 ,输入阻抗可达几百千欧。


功率放大电路

放大电路读图要点和举例


放大电路是电子电路中变化较多和较复杂的电路。在拿到一张放大电路图时,首先要把它逐级分解开,然后一级一级分析弄懂它的原理,最后再全面综合。


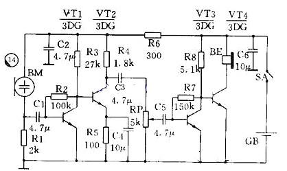
图14是一个助听器电路,实际上是一个4级低频放大器。VT1、VT2之间和VT3、VT4之间采用直接耦合方式,VT和VT3之间则用RC耦合。为了改善音质,VT1和VT3的本级有并联电压负反馈(R2和R7)。由于使用高阻抗的耳机,所以可以把耳机直接接在VT4的集电极回路内。R6、C2是去耦电路,C6是电源滤波电容。


功率放大电路


功率放大电路的工作状态

甲类:在放大电路中,当输入信号为正弦波时,若晶体管在信号的整个周期内均导通(即导通角θ=360°),则称之工作在甲类状态;


乙类:若晶体管仅在信号的正半周或负半周导通(即θ=180°),则称之工作在乙类状态;


甲乙类:若晶体管的导通时间大于半个周期且小于一个周期(即θ=180°~360°之间),则称之工作在甲乙类状态;


丙类:若晶体管仅有小于半个周期的导通时间(即θ=0°~180°),则称之工作在丙类状态。


联系方式:邹先生

联系电话:0755-83888366-8022

手机:18123972950

QQ:2880195519

联系地址:深圳市福田区车公庙天安数码城天吉大厦CD座5C1


请搜微信公众号:“KIA半导体”或扫一扫下图“关注”官方微信公众号

请“关注”官方微信公众号:提供 MOS管 技术帮助