实亿国际

实亿国际

国家高新企业

cn

新闻中心

nmos电路图详解-nmos结构及工作原理、基本逻辑电路分析-KIA MOS管

实亿国际信息来源:本站 日期:2019-11-08 

分享到:

nmos电路图详解-nmos结构及工作原理、基本逻辑电路分析

nmos

本文主要是讲nmos电路图及nmos的相关知识,我们先来看看nmos概述:NMOS的意思为N型金属-氧化物-半导体,而拥有这种结构的晶体管我们称之为NMOS晶体管。 MOS晶体管有P型MOS管和N型MOS管之分。


由MOS管构成的集成电路称为MOS集成电路,由NMOS组成的电路就是NMOS集成电路,由PMOS管组成的电路就是PMOS集成电路,由NMOS和PMOS两种管子组成的互补MOS电路,即CMOS电路。


nmos的结构及工作原理
(一)N沟道增强型


1、N沟道增强型MOS管的结构


在一块掺杂浓度较低的P型硅衬底上,制作两个高掺杂浓度的N+区,并用金属铝引出两个电极,分别作漏极d和源极s。然后在半导体表面覆盖一层很薄的二氧化硅(SiO2)绝缘层,在漏——源极间的绝缘层上再装上一个铝电极,作为栅极g。在衬底上也引出一个电极B,这就构成了一个N沟道增强型MOS管。MOS管的源极和衬底通常是接在一起的(大多数管子在出厂前已连接好)。


它的栅极与其它电极间是绝缘的。图(a)、(b)分别是它的结构示意图和代表符号。代表符号中的箭头方向表示由P(衬底)指向N(沟道)。P沟道增强型MOS管的箭头方向与上述相反,如图(c)所示。


nmos电路图


2、N沟道增强型MOS管的工作原理


(1)vGS对iD及沟道的控制作用

① vGS=0 的情况

从图1(a)可以看出,增强型MOS管的漏极d和源极s之间有两个背靠背的PN结。当栅——源电压vGS=0时,即使加上漏——源电压vDS,而且不论vDS的极性如何,总有一个PN结处于反偏状态,漏——源极间没有导电沟道,所以这时漏极电流iD≈0。


② vGS>0 的情况

若vGS>0,则栅极和衬底之间的SiO2绝缘层中便产生一个电场。电场方向垂直于半导体表面的由栅极指向衬底的电场。这个电场能排斥空穴而吸引电子。

排斥空穴:使栅极附近的P型衬底中的空穴被排斥,剩下不能移动的受主离子(负离子),形成耗尽层。吸引电子:将 P型衬底中的电子(少子)被吸引到衬底表面。


(2)导电沟道的形成:

当vGS数值较小,吸引电子的能力不强时,漏——源极之间仍无导电沟道出现,如图1(b)所示。vGS增加时,吸引到P衬底表面层的电子就增多,当vGS达到某一数值时,这些电子在栅极附近的P衬底表面便形成一个N型薄层,且与两个N+区相连通,在漏——源极间形成N型导电沟道,其导电类型与P衬底相反,故又称为反型层,如图1(c)所示。vGS越大,作用于半导体表面的电场就越强,吸引到P衬底表面的电子就越多,导电沟道越厚,沟道电阻越小。


开始形成沟道时的栅——源极电压称为开启电压,用VT表示。


上面讨论的N沟道MOS管在vGS<VT时,不能形成导电沟道,管子处于截止状态。只有当vGS≥VT时,才有沟道形成。这种必须在vGS≥VT时才能形成导电沟道的MOS管称为增强型MOS管。沟道形成以后,在漏——源极间加上正向电压vDS,就有漏极电流产生。


vDS对iD的影响


nmos电路图


如图(a)所示,当vGS>VT且为一确定值时,漏——源电压vDS对导电沟道及电流iD的影响与结型场效应管相似。


漏极电流iD沿沟道产生的电压降使沟道内各点与栅极间的电压不再相等,靠近源极一端的电压最大,这里沟道最厚,而漏极一端电压最小,其值为VGD=vGS-vDS,因而这里沟道最薄。但当vDS较小(vDS


随着vDS的增大,靠近漏极的沟道越来越薄,当vDS增加到使VGD=vGS-vDS=VT(或vDS=vGS-VT)时,沟道在漏极一端出现预夹断,如图2(b)所示。再继续增大vDS,夹断点将向源极方向移动,如图2(c)所示。由于vDS的增加部分几乎全部降落在夹断区,故iD几乎不随vDS增大而增加,管子进入饱和区,iD几乎仅由vGS决定。


3、N沟道增强型MOS管的特性曲线、电流方程及参数


(1)特性曲线和电流方程


nmos电路图


1)输出特性曲线

N沟道增强型MOS管的输出特性曲线如图1(a)所示。与结型场效应管一样,其输出特性曲线也可分为可变电阻区、饱和区、截止区和击穿区几部分。


2)转移特性曲线

转移特性曲线如图1(b)所示,由于场效应管作放大器件使用时是工作在饱和区(恒流区),此时iD几乎不随vDS而变化,即不同的vDS所对应的转移特性曲线几乎是重合的,所以可用vDS大于某一数值(vDS>vGS-VT)后的一条转移特性曲线代替饱和区的所有转移特性曲线。


3)iD与vGS的近似关系

与结型场效应管相类似。在饱和区内,iD与vGS的近似关系式为:


nmos电路图


式中IDO是vGS=2VT时的漏极电流iD。


(2)参数

MOS管的主要参数与结型场效应管基本相同,只是增强型MOS管中不用夹断电压VP ,而用开启电压VT表征管子的特性。


(二)N沟道耗尽型MOS管的基本结构


nmos电路图


(1)结构:

N沟道耗尽型MOS管与N沟道增强型MOS管基本相似。


(2)区别:

耗尽型MOS管在vGS=0时,漏——源极间已有导电沟道产生,而增强型MOS管要在vGS≥VT时才出现导电沟道。


(3)原因:

制造N沟道耗尽型MOS管时,在SiO2绝缘层中掺入了大量的碱金属正离子Na+或K+(制造P沟道耗尽型MOS管时掺入负离子),如图1(a)所示,因此即使vGS=0时,在这些正离子产生的电场作用下,漏——源极间的P型衬底表面也能感应生成N沟道(称为初始沟道),只要加上正向电压vDS,就有电流iD。


如果加上正的vGS,栅极与N沟道间的电场将在沟道中吸引来更多的电子,沟道加宽,沟道电阻变小,iD增大。反之vGS为负时,沟道中感应的电子减少,沟道变窄,沟道电阻变大,iD减小。当vGS负向增加到某一数值时,导电沟道消失,iD趋于零,管子截止,故称为耗尽型。沟道消失时的栅-源电压称为夹断电压,仍用VP表示。与N沟道结型场效应管相同,N沟道耗尽型MOS管的夹断电压VP也为负值,但是,前者只能在vGS<0的情况下工作。而后者在vGS=0,vGS>0,VP


(4)电流方程:


nmos电路图


nmos电路图汇总

(一)nmos电路图-电容自举驱动NMOS电路


nmos电路图


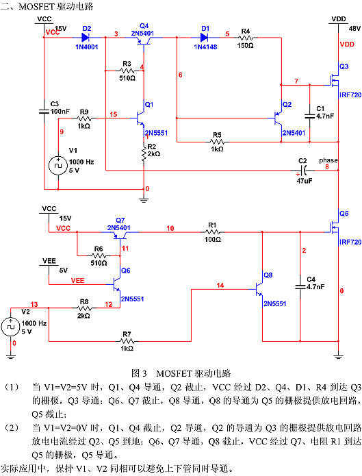
(二)nmos电路图-MOSFET驱动电路


nmos电路图


(三)nmos电路图-推挽驱动NMOS电路图


nmos电路图


NMOS基本逻辑电路分析

nmos电路图,NMOS逻辑门电路是全部由N沟道MOSFET构成。由于这种器件具有较小的几何尺寸,适合于制造大规模集成电路。此外,由于NMOS集成电路的结构简单,易于使用CAD技术进行设计。与CMOS电路类似,NMOS电路中不使用难于制造的电阻 。

NMOS反相器是整个NMO逻辑门电路的基本构件,它的工作管常用增强型器件,而负载管可以是增强型也可以是耗尽型。现以增强型器件作为负载管的NMOS反相器为例来说明它的工作原理。


nmos电路图


上图是表示NMOS反相器的原理电路,其中T1为工作管,T2为负载管,二者均属增强型器件。若T1和T2在同一工艺过程中制成,它们必将具有相同的开启电压VT。从图中可见,负载管T2的栅极与漏极同接电源VDD,因而T2总是工作在它的恒流区,处于导通状态。

当输入vI为高电压(超过管子的开启电压VT)时,T1导通,输出vO;为低电压。输出低电压的值,由T1,T2两管导通时所呈现的电阻值之比决定。


通常T1的跨导gm1远大于T2管的跨导gm2,以保证输出低电压值在+1V左右。当输入电压vI为低电压(低于管子的开启电压VT)时,T1截止,输出vO为高电压。由于T2管总是处于导通状态,因此输出高电压值约为(VDD—VT)。


在NMOS反相器的基础上,可以制成NMOS门电路。下图即为NMOS或非门电路。只要输入A,B中任一个为高电平,与它对应的MOSFET导通时,输出为低电平;仅当A、B全为低电平时,所有工作管都截止时,输出才为高电平。可见电路具有或非功能,即


nmos电路图


或非门的工作管都是并联的,增加管子的个数,输出低电平基本稳定,在整体电路设计中较为方便,因而NMOS门电路是以或非门为基础的。这种门电路不像TTL或CMOS电路作成小规模的单个芯片 ,主要用于大规模集成电路。


以上讨论和分析了各种逻辑门电路的结构、工作原理和性能,为便于比较,现用它们的主要技术参数传输延迟时间Tpd和功耗PD综合描述各种逻辑门电路的性能,如图所示。


nmos电路图


联系方式:邹先生

联系电话:0755-83888366-8022

手机:18123972950

QQ:2880195519

联系地址:深圳市福田区车公庙天安数码城天吉大厦CD座5C1


请搜微信公众号:“KIA半导体”或扫一扫下图“关注”官方微信公众号

请“关注”官方微信公众号:提供 MOS管 技术帮助