实亿国际

实亿国际

国家高新企业

cn

新闻中心

实亿国际30W太阳能路灯设计方案汇总及太阳能路灯原理图-KIA MOS管

实亿国际信息来源:本站 日期:2019-10-31 

分享到:

30W太阳能路灯设计方案汇总及太阳能路灯原理图

太阳能路灯

太阳能路灯是采用晶体硅太阳能电池供电,免维护阀控式密封蓄电池(胶体电池)储存电能,超高亮LED灯具作为光源,并由智能化充放电控制器控制,用于代替传统公用电力照明的路灯。


30w太阳能路灯设计方案汇总及太阳能路灯原理图
30w太阳能路灯设计方案(一)

太阳能路灯主要由太阳电池组件、组件支架、电控箱(内装控制器、蓄电池)、灯杆(含灯具)等几部分组成。系统示意图如下图:


太阳能路灯,30w太阳能路灯


设计流程

本系统设计过程主要包括:灯杆的选型,灯具的选型,太阳能组件的配置,蓄电池、控制器的配置,系统保护措施设定。


1、灯杆的选型

灯杆是整个路灯的支撑部分,对其硬度,高度,抗风能力,防腐等有较高的要求;现在常用的材料为Q235,通过一系列工艺加工而成,表面喷镀80μm的防腐层。


本系统安装路况为主干道,路宽30米,采用双侧对称排布。根据路灯施工设计规范(见表1),本系统采用截光型灯具,安装高度为10米(按照标准本应安装高度为15M,但是考虑高度越高,需要灯具的功率越大,灯杆设计越复杂,综合考虑后选择灯杆为12米,灯具安装高度为10米),间距为30米。


太阳能路灯,30w太阳能路灯


表1 灯具的配光类型、布置方式与灯具的安装高度、间距的关系


2、路灯功率的选择

根据路灯施工设计规范中对机动车交通道路照明标准(见表2)的要求,本系统属于级别I,路面平均照度取20勒克斯(lx)。则由此可得出灯具的总光通量为:光通总量=(平均光照度*维护系数*照射面积)/(灯具数量*灯具利用系数)=(20*0.9*15*30)/0.95=8526lm。


太阳能路灯,30w太阳能路灯

表2  机动车交通道路照明标准值


3、蓄电池、电池板选型

选型过程:

(1)负载日耗电量Q=W*H/U=120*8/24=40Ah。式中U为系统蓄电池标称电压


(2)满足负载日用电的太阳能电池组件的充电电流I1=Q*1.05/h/0.85/0.9=40*1.05/4.46/0.85/0.9A=12.3A式中1.05为太阳能充电综合损失系数,0.85为蓄电池充电效率、0.9为控制器效率,h为标准峰值时数,为4.46小时。


(3)蓄电池容量的确定满足连续5个阴雨天正常工作的电池容量CC=Q*(d+1)/0.8*1.1=40*6/0.8*1.1=330Ah式中0.8为蓄电池放电深度,1.1为蓄电池安全系数,选取2节12V180Ah的电池串成电池组。


(4)连续阴雨天过后需要恢复蓄电池容量的太阳能电池组件充电电流I2I2=C*0.8/h/D=330*0.8/4.46/20=2.96A式中0.8为蓄电池放电深度,D为两次连续阴雨天间隔天数。


(5)太阳电池组件的功率为(I1+I2)*30=(12.3+2.96)*30=457Wp式中30为太阳电池组件工作电压,选取2块峰值功率为230W的太阳能电池组件。


控制器选型

控制器是整个路灯系统中充当管理者的关键部件,它的最大功能是对蓄电池进行全面的管理,好的控制器应当根据蓄电池的特性,设定各个关键参数点,比如蓄电池的过充点、过放点,恢复连接点等。


30w太阳能路灯设计方案(二)

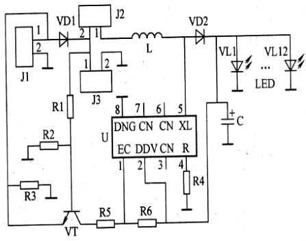
分时、分压控制太阳能灯,就是根据夜晚不同时间段人们对光照度的不同要求,以及太阳电池白天吸收能量的大小,控制太阳能灯的输入功率,达到用最小成本设计出能够满足最恶劣气象条件下人们对太阳能灯的最基本要求的目的。


该控制电路适合以12只LED为光源的草坪灯。U中包含驱动、光控检测、脉宽调制、电池电压检测等电路。其1脚为使能端,2脚为电源电压端,4脚为负载电流调整口,5脚为开关口,8脚为接地端,3、6、7均悬空。改变R4的阻值可以改变LED的工作电流,其最大允许电流为500mA,M接地时电流最小。


J1为太阳电池,J2为电源开关,J3为2节镍氢电池。为了降低管压降,VD1、VD2可采用肖特基二极管。改变R5、R6可调节蓄电池的分压保护值,改变R1、R2可调节分时值。该电路能在尽可能降低太阳电池成本的基础上,保证照明时间,具有很高的性价比。


太阳能路灯,30w太阳能路灯


30w太阳能路灯设计方案(三)

用PIC12F675单片机制作的太阳能路灯控制器


太阳能路灯,30w太阳能路灯


PIC 12F675控制蓄电池的过充电、过放电,开、关路灯功能,定时点亮、天黑自动点亮、延时点亮、自动跟踪点亮等功能,路灯点亮测试控制功能,LED指示功能等。


由蓄电池 BTl 、蓄电池过充电控制执行场效应管 01 、三端稳压器 U1 组成电源供电系统; Q2 、 Q4.组成放电控制;K1 手动, R_GM1 光控自动开灯系统,蓄电池分压电阻,发光指示二极管等部分组成。


太阳能电池板电压由接口J3输入.经防反充二极管 D1 后分成两路,一路经 U1 LM 78L 05 稳压后,为 PIC 12F675单片机提供工作电源,另一路经 FB 保险丝给蓄电池充电。单片机上电后,首先由 Rf 、 Cf组成的硬件电路进行复位.然后由软件控制U2 ③脚 GP4 输出高电平,让 Q4 导通、 Q2 截止,控制系统停止放电,再检测 U2⑦脚 GP0 上的分压值,通过内部 A/ D 转换及软件运算间接检测、判断蓄电池是否欠压、过压。


若蓄电池发生过充电,则通过软件控制U2 ②脚 GP5 输出高电平,使 Q1导通.短路太阳能电池板、停止向蓄电池充电,同时点亮“过充电”指示灯 LED2;若未发生过充电,则 U2 ②脚 GP5输出低电平,允许蓄电池充电。通过检测 U2 ⑥脚 GP1 所接的光敏电阻R_GM1上的分压值,判断是否已经“天黑,到了开路灯时间”,若到了预设的开灯点,则由软件控制 u2 ③脚 GP4 输出低电平,使 Q4截止、02 导通,点亮路灯。若不到开灯点,则程序返回,循环检测上述诸参数。


30w太阳能路灯设计方案(四)

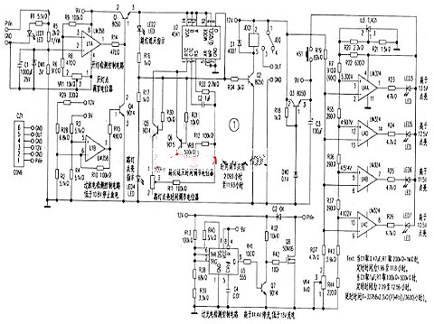
电路原理见图所示。该电路由以U5为核心组成的蓄电池过充电控制电路、以 U 4A ~U4D为核心组成的蓄电池电压指示电路及显示电压按钮开关 KS1 电路、以 U1B 组成的蓄电池过放电控制电路、以 U1A组成的开灯检测控制电路、以 U2 组成的开灯及延时熄灯及二次开灯定时控制电路,以及以控制三极管Q2驱动继电器组成的输出控制电路等组成。现分别介绍如下。


太阳能路灯,30w太阳能路灯


(1) 过充电、过放电检测保护部分

太阳能电池组件板或阵列由插口 CZ1 的①脚输入,加至防反充电二极管 D2 的正极.D2的负极接 12V 蓄电池的正极,即 CZ1 的③脚。控制器在初始上电时,由于 C4 的作用使 U5②脚为低电平,③脚输出高电平,Q7 导通; Q8 截止,允许太阳能电池给蓄电池充电。


(2) 开灯检测方法与控制

太阳能电池板是一个很好的光敏元件,其输出电流、电压能随着接受光的强度和照度变化而变化,本控制器就是利用这一原理实现开、关灯控制的。太阳能电池板PVin 输入电压经 R5 、 R6 串联分压后;加至运放 U 1A ②脚,其③脚接于 R9 、R8+VR1的分压点上。在白天,太阳能电池板在阳光的照射下输出电压很高,其经 R5 、 R6 分压后使运放 U 1A②脚电压高于③脚, U 1A①脚输出低电平, Q1 截止, U2 无供电电压不工作,Q2截止,继电器不吸合,系统无输出电压,路灯不工作。随着天色渐黑,太阳能电池板输出电压降低。


(3) 路灯延时电路点亮、熄灭控制电路

延时控制电路选用 CD4541BE 可编程定时控制芯片,它功耗低、内置可编程分频器电路,最大分频级数为 65536 级。


本控制器设计定时开灯和定时关灯时间调节范围是: 2 . 093 小时 -11 . 93 小时.分别由 V : R2 和VR3控制调节。


(4) 蓄电池停止放电优先控制电路

若在路灯欲点亮或已点亮时,蓄电池电压已经低于其允许终止放电值时, Q4 导通.此时无论 U 1A 输出高电平与否,均会使Q1截止,从而保护蓄电池避免过放电损坏。


(5) 电池电压指示电路

为了让现场看管、维护人员及时了解、掌握蓄电池的状态,本控制器设有 LED 电池电压指示装置,通过LLED点亮的数量指示蓄电池电压的高低。


30w太阳能路灯设计方案(五)

描述TPS61165的工作输入电源电压介于3V~18V之间,可提供高达38V的输出电压。该器件具有额定40V集成型开关FET,可驱动多达10个串联LED。其可在1.2MHz固定开关频率下工作,不仅能够显著降低输出纹波、提升转换效率,而且还允许使用小型外部组件。在默认情况下,白光LED(WLED)的电流由外部感测电阻RSET设定,反馈电压稳定在200mV。


太阳能路灯,30w太阳能路灯


该设计的重要优势在于拥有极高的效率和良好的LED稳流性能。TPS61165可在能够稳定LED电流的恒流模式下工作。CTRL引脚可同时用于数字与PWM调光的控制输入。每次启用器件时即可选择TPS61165的调光模式。通过改变反馈参考电压也可实施模拟调光。

可使用20k欧的可变电阻来改变LED电流,以达到调光的目的。转换器可在350mA条件下将电压从6V提升至10.5V,转换效率不低于85%。该电路可用于驱动三个1W的LED或输入总功率不超过3W的多个50mA的LED。


30w太阳能路灯设计方案(六)

下图所示所示太阳能灯电路是一种低损耗电路,使用一只7W四引脚CFL(小型荧光灯)和一块12V、7-Ahr密封免维护电池。逆变器的效率大于85%,静态电流小于2mA。它有一个带电池过放电保护功能和过充电保护功能的并联充电控制器。


低静态电流、过放电保护功能和过充电保护功能三者确保电池使用寿命很长。逆变器的预热功能可以避免CFL两端变黑,从而延长其使用寿命。这一电路可在农村地区用作一种可靠小巧的便携式光源,在城市用作应急灯系统。


并联充电控制器电路包括IC1(低电流2.5V电压基准源LM385)和IC2(LM324比较器)。配有电阻R1 ~ R8和三极管Q1的IC2A可防止电池过放电。


太阳能路灯,30w太阳能路灯


这种太阳能供电的电灯驱动器可用作应急灯系统。


联系方式:邹先生

联系电话:0755-83888366-8022

手机:18123972950

QQ:2880195519

联系地址:深圳市福田区车公庙天安数码城天吉大厦CD座5C1


请搜微信公众号:“KIA半导体”或扫一扫下图“关注”官方微信公众号

请“关注”官方微信公众号:提供 MOS管 技术帮助