实亿国际

实亿国际

国家高新企业

cn

新闻中心

二极管在电路中的作用有哪些及应用、结构组成解析-KIA MOS管

信息来源:本站 日期:2019-10-21 

分享到:

二极管在电路中的作用有哪些及应用、结构组成解析

二极管

在生活中我们也常常会用到二极管,那么二极管有哪几种?二极管在电路中的作用是什么?二极管是用半导体材料(硅、硒、锗等)制成的一种电子器件 。它具有单向导电性能, 即给二极管阳极和阴极加上正向电压时,二极管导通。 当给阳极和阴极加上反向电压时,二极管截止。 因此,二极管的导通和截止,则相当于开关的接通与断开。


二极管在电路中的作用


二极管的结构组成

二极管就是由一个PN结加上相应的电极引线及管壳封装而成的。


采用不同的掺杂工艺,通过扩散作用,将P型半导体与N型半导体制作在同一块半导体(通常是硅或锗)基片上,在它们的交界面就形成空间电荷区称为PN结。


由P区引出的电极称为阳极,N区引出的电极称为阴极。因为PN结的单向导电性,二极管导通时电流方向是由阳极通过管子内部流向阴极。


二极管在电路中的作用


二极管的电路符号如图所示。二极管有两个电极,由P区引出的电极是正极,又叫阳极;由N区引出的电极是负极,又叫阴极。三角箭头方向表示正向电流的方向,二极管的文字符号用VD表示。


二极管在电路中的作用是什么

二极管在电路中的作用是什么,生活中所有的电子电路中基本上都会用到二极管,它的特性也是非常之多,最主要就是单方向导电性,(单向导电性的两根引脚之间的电阻分为正向电阻和反向电阻两种)。人们利用这些不同特性构成各种具体的应用电路,分析不同电路中的二极管工作原理时,要用到二极管的不同特性,选择二极管的什么特性去分析电路是最大困难之一,只有掌握了二极管的各种特性,才能从容地分析二极管电路的工作原理,下面就根据产品和电路图来给大家介绍二极管在电路中的作用是什么。


二极管在电路中的作用

整流电路图


这是全波整流电路,电路中的VD1和VD2为整流二极管,在电源电路中都是用整流二极管构成整流电路,整流电路将交流电压转换成单向脉动的直流电压。


二极管在电路中的作用

易稳压电路图


电路中的3只二极管VD1,VD2和VD3构成串联电路,他们在电路中起着直流稳压的作用。


二极管在电路中的作用

温度补偿型偏置电路图


这是一种特殊的分压偏置电路,二极管VD1用来进行温度补偿,以使三极管VT1的工作更加稳定,受温度影响更小。


二极管在电路中的作用

保护电路图


路中的二极管VDC用来保护驱动三级管VT1。这种保护电路在继电器驱动和电磁铁吸铁电路中有广泛的应用。


二极管在电路中的作用

稳压值调节电路图


如果稳压二极管的稳压值不能满足使用要求时,可以用普通二极管进行稳压值调节,在电路中的VD2是稳压二极管,VD1则是普通二极管,VD1能增加直流电压0.6V。


二极管在电路中的作用

开关二极管电路图


电路中VD1是开关二极管,他的作用相当于一个开关,用来接通和断开电容C2的。


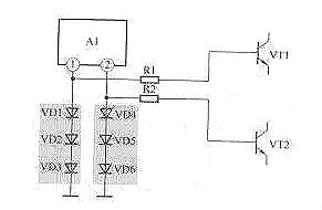
二极管在电路中的作用

二极管限幅电路图


电路中的二极管串联后接在集成电路A1输出信号引脚与地之间,构成对输出信号的限幅,防止输出信号太大而损坏后面的三极管。


二极管的应用

1、整流二极管

利用二极管单向导电性,可以把方向交替变化的交流电变换成单一方向的脉动直流电。


2、开关元件

二极管在正向电压作用下电阻很小,处于导通状态,相当于一只接通的开关;在反向电压作用下,电阻很大,处于截止状态,如同一只断开的开关。利用二极管的开关特性,可以组成各种逻辑电路。


3、限幅元件

二极管正向导通后,它的正向压降基本保持不变(硅管为0.7V,锗管为0.3V)。利用这一特性,在电路中作为限幅元件,可以把信号幅度限制在一定范围内。


4、继流二极管

在开关电源的电感中和继电器等感性负载中起继流作用。


5、检波二极管

在收音机中起检波作用。


6、变容二极管

使用于电视机的高频头中。


联系方式:邹先生

联系电话:0755-83888366-8022

手机:18123972950

QQ:2880195519

联系地址:深圳市福田区车公庙天安数码城天吉大厦CD座5C1


请搜微信公众号:“KIA半导体”或扫一扫下图“关注”官方微信公众号

请“关注”官方微信公众号:提供 MOS管 技术帮助