实亿国际

实亿国际

国家高新企业

cn

新闻中心

常见元器件封装汇总及图文详解-KIA MOS管

实亿国际信息来源:本站 日期:2019-10-18 

分享到:

常见元器件封装汇总及图文详解

元器件封装

元器件封装,就是指把硅片上的电路管脚,用导线接引到外部接头处,以便与其它器件连接·封装形式是指安装半导体集成电路芯片用的外壳。它不仅起着安装、固定、密封、保护芯片及增强电热性能等方面的作用,而且还通过芯片上的接点用导线连接到封装外壳的引脚上,这些引脚又通过印刷电路板上的导线与其他器件相连接,从而实现内部芯片与外部电路的连接。因为芯片必须与外界隔离,以防止空气中的杂质对芯片电路的腐蚀而造成电气性能下降。另一方面,封装后的芯片也更便于安装和运输。


一、元器件封装按照安装的方式不同可以分成两大类

(1) 直插式元器件封装


直插式元器件封装的焊盘一般贯穿整个电路板,从顶层穿下,在底层进行元器件的引脚焊接,如图所示。


元器件封装


典型的直插式元器件及元器件封装如图所示。


元器件封装


(2)表贴式元器件封装。

表贴式的元器件,指的是其焊盘只附着在电路板的顶层或底层,元器件的焊接是在装配元器件的工作层面上进行的,如图所示。


元器件封装


典型的表贴式元器件及元器件封装如图所示。


在PCB元器件库中,表贴式的元器件封装的引脚一般为红色,表示处在电路板的顶层(TopLayer)。


在PCB元器件库中,表贴式的元器件封装的引脚一般为红色,表示处在电路板的顶层(Top Layer)。


二、常用元器件的原理图符号和元器件封装

在设计PCB的过程中,有些元器件是设计者经常用到的,比如电阻、电容以及三端稳压源等。在Protel 99 SE中,同一种元器件虽然相同电气特性,但是由于应用的场合不同而导致元器件的封装存在一些差异。


电阻由于其负载功率和运用场合不同而导致其元器件的封装也多种多样,这种情况对于电容来说也同样存在。因此,本节主要向读者介绍常用元器件的原理图符号和与之相对应的元器件封装,同时尽量给出一些元器件的实物图,使读者能够更快地了解并掌握这些常用元器件的原理图符号和元器件封装。(1)、电阻。 电阻器通常简称为电阻,它是一种应用十分广泛的电子元器件,其英文名字为“Resistor”,缩写为“Res”。


电阻的种类繁多,通常分为固定电阻、可变电阻和特种电阻3大类。固定电阻可按电阻的材料、结构形状及用途等进行多种分类。电阻的种类虽多,但常用的电阻类型主要为RT型碳膜电阻、RJ型金属膜电阻、RX型线绕电阻和片状电阻等。固定电阻的原理图符号的常用名称是“RES1”和“RES2”,如图F1-5(a)所示。


常用的引脚封装形式为AXIAL系列,包括AXIAL-0.3、AXIAL-0.4、AXIAL-0.5、AXIAL-0.6、AXIAL-0.7、AXIAL-0.8、AXIAL-0.9和AXIAL-1.0等封装形式,其后缀数字代表两个焊盘的间距,单位为“英寸”,如图F1-5(b)所示。常用固定电阻的实物图如图F1-5(c)所示。


元器件封装


(a)常用的电阻原理图符号      


元器件封装


(b)常用的电阻封装


元器件封装


(c)常用的固定电阻实物 图F1-5固定电阻 如“AXIAL-0.3”封装的具体意义为固定电阻封装的焊盘间的距离为0.3英寸(=300mil),即为7.62mm。一般来讲,后缀数字越大,元器件的外形尺寸就越大,说明该电阻的额定功率就越大。 电位器属于可变电阻,是一种连续可调的电阻器,它的电阻值在一定范围内是连续可调的,如图F1-6所示。


元器件封装


(a)可变电阻的原理图符号      


元器件封装


(b)常用的可变电阻的元器件封装 图F1-6   可变电阻的原理图符号和元器件封装电位器的种类极多,常见的电位器主要有两种,即线绕电位器和碳膜电位器。除了上述较为常见的电阻外,还有运用在特殊场合的电阻,如热敏电阻、湿敏电阻和压控电阻等。此外,还有将多个电阻集成在一个封装内,从而形成电阻桥,以及各种电阻排,如图F1-7所示。


元器件封装


(a)电阻桥的原理图符号及对应的元器件封装  


元器件封装


(b)电组排的原理图符号、元器件封装和元器件实物 图F1-7 各种电阻排 由于电阻的工作环境多种多样,并且所能实现的功能也比较多,因此它的电阻的种类和型号就比较多,设计者在具体选用的时候就需要按实际情况进行选型。


(2) 电容。电容也是经常使用的元器件之一,根据电容的制作材料的不同,电容可分为钽电容、瓷片电容、独石电容、CBB电容和电解电容等。根据电容的极性的不同,可分为有无极性电容和有极性电容等。根据电容值是否可调还可分为固定电容和可调电容。下面主要按照无极性电容和有极性电容来介绍常用的电容器。


无极性电容的原理图符号如图F1-8(a)所示,对应的封装形式为RAD系列,从RAD-0.1到RAD-0.4,后缀数字代表焊盘间距,单位为英寸,如图F1-8(b)所示。比如“RAD-0.2”表示焊盘间距为0.2英寸(=200mil)的无极性电容封装。常见的无极性电容主要有瓷片电容、独石电容和CBB电容,其元器件实物如图F1-8(c)、(d)、(e)所示。


元器件封装


(a)无极性电容的原理图符号  


元器件封装


(b)常用的元器件封装


元器件封装


(c)瓷片电容


元器件封装


(d)独石电容  


(e)CBB电容 图F1-8 无极性电容常见的有极性电容为电解电容。电解电容对应的封装形式为RB系列,从“RB-.2/.4”到“RB-.5/1.0”,前一个后缀数字的表示焊盘间距,后一个后缀数字代表电容外形的直径,单位都为英寸。一般来讲,标准尺寸的电解电容的外形尺寸是焊盘间距的两倍。但是,在Protel 99 SE中,也有用毫米作为单位的,如“RB5-10.5”。元器件实物如图F1-9所示。


元器件封装


(a)电解电容的常用原理图符号  


元器件封装


(b)电解电容常用的元器件封装


元器件封装


(c)电解电容的实物照片 图F1-9 电解电容 一般地,电容封装形式名称的后缀数值越大,相应的电容容量也越大,如图F1-9所示。(3) 二极管。二极管的种类繁多,根据应用的场合不同可以分为普通二极管、发光二极管、稳压二极管、快恢复二极管以及二极管指示灯、由多个发光二极管构成的七段数码管等,如图F1-10所示。


元器件封装


(a)普通二极管(稳压二极管)


元器件封装


(b)发光二极管


元器件封装


(c)二极管指示灯    


d)七段数码管 图F1-10 常见的二极管

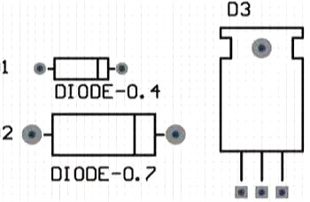
原理图中二极管元器件的常用名称为“DIODE”(普通二极管)、“DIODE SCHOTTKY”(肖特基二极管)、“DIODE TUNNEL”(隧道二极管)、“DIODE VARACTOR”(变容二极管)和“ZENER1~3”(稳压二极管)等,如图F1-11(a)所示。常见的二极管封装有“DIODE-0.4”、“DIODE-0.7”和“TO-220”,其中“DIODE-0.4”指的是普通二极管的焊盘间距为“0.4英寸”,即“10.16mm”,如图F1-11(b)所示。


元器件封装


(a)二极管的原理图符号


元器件封装


(b)稳压二极管的原理图符号


元器件封装


(c)二极管的常用元器件封装 图F1-11 二极管的原理图符号和元器件封装(4) 三极管。普通三极管可根据其构成的PN结的方向不同,分为NPN型和PNP型。这两种类型的晶体管外形完全相同,都包括3个引脚,即b(基极)、c(集电极)和e(发射极),但是其原理图符号却不一样,如图F1-12所示。三极管的原理图符号的常用名称有“NPN”、“NPN1” 和“PNP”、“PNP1”等。  


元器件封装


在功率放大电路中,设计者为了实现在微小信号作为激励源时得到很大的增益,往往需要采用具有较大放大倍数的晶体管,达林顿复合管就是运用在这种场合的晶体管。普通的达林顿复合管是将两个晶体管集成在一个元器件封装里,有的复合管还同时集成了保护二极管和偏置电阻等。同普通三极管一样,达林顿复合管同样包括NPN型和PNP型,如图F1-12所示。


三、 常用元器件及元器件封装总结

下面的对常用元器件及其所有元器件封装进行一下总结。


(1) 电阻:电阻的原理图符号可以选用“RES1”、“RES2”、“RES3”、“RES4”中任何一个,对应的电阻封装为AXIAL系列,比如“AXIAL-0.3”到“AXIAL-0.7”,其中0.4和0.7指电阻封装的焊盘间距,一般用“AXIAL0.4”封装。


(2)无极性电容:常用的原理图符号为CAP,对应的电容封装为RAD系列,如“RAD-0.1”到“RAD-0.4”,其中0.1和0.4指电容大小,一般用“RAD0.2”。


(3) 电解电容:电解电容的原理图符号可以使用“ELECTRO1”、“ELECTRO2”、“ELECTRO3”中的任何一个。电解电容对应的元器件封装为RB系列,如“RB.1/.2”到“RB.5/1.0”,其中“.1/.2”分别指电容的焊盘间距和外形尺寸。


(4)电位器:电位器的原理图符号为“POT1”,“POT2”,对应的电位器封装为“VR-1”到“VR-5”。


(5)二极管:二极管的原理图符号为“DIODE”,对应的二极管的封装为封装属性系列,如“DIODE-0.4”(小功率)到“DIODE-0.7”(大功率),其中0.4和0.7指二极管的焊盘间距,一般用“DIODE0.4”。值得一提的是,普通的发光二极管的元器件封装为“RB.1/.2”。


(6)三极管:普通三极管的原理图符号为NPN或PNP,常见的三极管封装为“TO-92B”,而大功率三极管可用“TO-220”、“TO-3”等元器件封装。


(7)三端稳压源:三端稳压源有78和79系列,78系列如“7805”,“7812”和“7820”等,79系列有“7905”、“7912”和“7920”等,比较常用的元器件封装为“TO-220”。


(8)整流桥:整流桥的原理图符号为“BRIDGE1”,“BRIDGE2”,常用的元器件封装为“ ”。


(9)集成电路芯片:常用的元器件封装为DIP4到DIP40,其中4和40指有多少脚,4脚的就是“DIP4”。此外,这里还需要补充一点就是贴片电阻。贴片电阻的元器件封装通常采用数字来表示,比如“0805”。这里0805表示的贴片电阻的封装尺寸,与具体阻值没有关系,而与功率有关。一般情况下,部分贴片电阻的封装尺寸与其功率有以下对应关系。

元器件封装工艺流程

元器件封装工艺流程:


结构方面:TO->DIP->PLCC->QFP->BGA ->CSP;


材料方面:金属、陶瓷->陶瓷、塑料->塑料;


引脚形状:长引线直插->短引线或无引线贴装->球状凸点;


装配方式:通孔插装->表面组装->直接安装


联系方式:邹先生

联系电话:0755-83888366-8022

手机:18123972950

QQ:2880195519

联系地址:深圳市福田区车公庙天安数码城天吉大厦CD座5C1


请搜微信公众号:“KIA半导体”或扫一扫下图“关注”官方微信公众号

请“关注”官方微信公众号:提供 MOS管 技术帮助