实亿国际MOS管保护电路图及MOS管防反接安全措施详解-技术经验-KIA MOS管
实亿国际信息来源:本站 日期:2019-08-15
功率MOS管自身拥有众多优点,但是MOS管具有较脆弱的承受短时过载能力,特别是在高频的应用场合,所以在应用功率MOS管对必须为其设计合理的保护电路来提高器件的可靠性。
功率MOS管保护电路主要有以下几个方面:
由于采用驱动芯片,其输出阻抗较低,直接驱动功率管会引起驱动的功率管快速的开通和关断,有可能造成功率管漏源极间的电压震荡,或者有可能造成功率管遭受过高的di/dt而引起误导通。为避免上述现象的发生,通常在MOS驱动器的输出与MOS管的栅极之间串联一个电阻,电阻的大小一般选取几十欧姆。
由于栅极与源极的阻抗很高,漏极与源极间的电压突变会通过极间电容耦合到栅极而产生相当高的栅源尖峰电压,此电压会使很薄的栅源氧化层击穿,同时栅极很容易积累电荷也会使栅源氧化层击穿,所以要在MOS管栅极并联稳压管以限制栅极电压在稳压管稳压值以下,保护MOS管不被击穿,MOS管栅极并联电阻是为了释放栅极电荷,不让电荷积累。
虽然漏源击穿电压VDS一般都很大,但如果漏源极不加保护电路,同样有可能因为器件开关瞬间电流的突变而产生漏极尖峰电压,进而损坏MOS管,功率管开关速度越快,产生的过电压也就越高。为了防止器件损坏,通常采用齐纳二极管钳位和RC缓冲电路等保护措施。
当电流过大或者发生短路时,功率MOS管漏极与源极之间的电流会迅速增加并超过额定值,必须在过流极限值所规定的时间内关断功率MOS管,否则器件将被烧坏,因此在主回路增加电流采样保护电路,当电流到达一定值,通过保护电路关闭驱动电路来保护MOS管。图1是MOS管的保护电路,由此可以清楚的看出保护电路的功能。

1.通常情况下直流电源输入防反接保护电路是运用二极管的单向导电性来完结防反接保护。如下图1示:
这种接法简略可靠,但当输入大电流的情况下功耗影响是非常大的。以输入电流额定值抵达2A,如选用Onsemi的快速恢复二极管 MUR3020PT,额定管压降为0.7V,那么功耗至少也要抵达:Pd=2A×0.7V=1.4W,这样功率低,发热量大,要加散热器。
2.其他还可以用二极管桥对输入做整流,这样电路就永久有正确的极性(图2)。这些方案的缺点是,二极管上的压降会消耗能量。输入电流为2A时,图1中的电路功耗为1.4W,图2中电路的功耗为2.8W。
图1 一只串联二极管保护系统不受反向极性影响,二极管有0.7V的压降
图2 是一个桥式整流器,不论什么极性都可以正常作业,但是有两个二极管导通,功耗是图1的两倍。
MOS管防反接,好处就是压降小,小到几乎可以忽略不计。现在的MOS管可以做到几个毫欧的内阻,假设是6.5毫欧,通过的电流为1A(这个电流已经很大了),在他上面的压降只有6.5毫伏。
由于MOS管越来越便宜,所以人们逐渐开始使用MOS管防电源反接了。
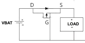
正确连接时:刚上电,MOS管的寄生二极管导通,所以S的电位大概就是0.6V,而G极的电位,是VBAT,VBAT-0.6V大于UGS的阀值开启电压,MOS管的DS就会导通,由于内阻很小,所以就把寄生二极管短路了,压降几乎为0。
电源接反时:UGS=0,MOS管不会导通,和负载的回路就是断的,从而保证电路安全。
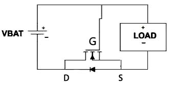
正确连接时:刚上电,MOS管的寄生二极管导通,电源与负载形成回路,所以S极电位就是VBAT-0.6V,而G极电位是0V,PMOS管导通,从D流向S的电流把二极管短路。
电源接反时:G极是高电平,PMOS管不导通。保护电路安全。
连接技巧
NMOS管DS串到负极,PMOS管DS串到正极,让寄生二极管方向朝向正确连接的电流方向。
感觉DS流向是“反”的?
仔细的朋友会发现,防反接电路中,DS的电流流向,和我们平时使用的电流方向是反的。
为什么要接成反的?
利用寄生二极管的导通作用,在刚上电时,使得UGS满足阀值要求。
联系方式:邹先生
联系电话:0755-83888366-8022
手机:18123972950
QQ:2880195519
联系地址:深圳市福田区车公庙天安数码城天吉大厦CD座5C1
请搜微信公众号:“KIA半导体”或扫一扫下图“关注”官方微信公众号
请“关注”官方微信公众号:提供 MOS管 技术帮助

