实亿国际

实亿国际

国家高新企业

cn

新闻中心

74ls04的功能和引脚图及74ls04应用电路图汇总解析-KIA MOS管

信息来源:本站 日期:2019-07-12 

分享到:

74ls04的功能和引脚图及74ls04应用电路图汇总解析

74ls04之概述

74ls04是带有6个非门的芯片,是六输入反相器,也就是有6个反相器,它的输出信号与输入信号相位相反。六个反相器。共用电源端和接地端,其它都是独立的。输出信号手动负载的能力也有一定程度的放大。


反相器是可以将输入信号的相位反转180度,这种电路应用在模拟电路,比如说音频放大,时钟振荡器等。在电子线路设计中,经常要用到反相器。


74LS04是一个数字控制开关芯片简单来说里面就是几个电子开关电路由外部信号控制内部开关状态,在节日彩灯中起控制彩灯按设的顺序亮和灭的作用。


74ls04引脚功能及真值表


74ls04


74ls04引脚图


74ls04


74ls04应用电路图大全

74ls04应用电路图一:环形振荡器电路


74ls04


图中为带有RC延迟电路的非门环形自激多谐振荡器实验电路。振荡电路由非门IC1、IC2、IC3及定时电路元件RP、C等组成,由IC3输出矩形波信号。R1为保护电阻器,避免定时电容器c反向放电时有可能造成IC3门电路损坏。非门IC4使振荡器输出波形较好的矩形波。


振荡频率估算f>1/2.3RC T>2.3RC


定时电阻器电阻值在100-10002范围内选取,定时电容器C取值范围较大,从几百皮法(pF)至几百微法范围内选职,可以使振荡频率范围从几兆赫兹到几赫兹。把定时电阻器换成电位器(1.5k92),能连续调节振荡频率,并且有较大的覆盖率。用到的芯片有74ls04。


74ls04应用电路二:对称方波振荡器

图中为非门对称方波自激多谐振荡器实验电路,由于电路对称,输出振荡波形占空比为1:1,为方波,故称对称方波振荡器。在振荡电路中,非门IC1输出端经过定时电容器C2耦合到非门IC2输入端,同样IC2输出端经C1耦合到IC1输入端,两个非门通过电容器互相耦合形成正反馈闭环电路,因而能够产生方波振荡。当R1=R4=R,C1=C2=C时,振荡频率估算公式:


f≈1/RC

74ls04


振荡周期T≈RC。定时电阻器R1、R4取值为1~2.2kΩ,定时电容器C1、C2取值范围较大,可以从几十皮法至几百微法,振荡频率范围从几赫兹到数兆赫兹。


74ls04应用电路三:简易自激多谐振荡器

图中为简易非门自激多谐振荡器实验电路,它由非门振荡器IC1、IC2,反相器IC3,红色、绿色发光二极管和电源GB供电系统组成。IC1、IC2作为振荡器的开关环节,R1、C定时电路产生延时正反馈信号控制开关环节周期性的开通和关闭,使IC2输出矩形波。反相器IC3使红色、绿色发光二极管与振荡器同步交替闪亮。


74ls04


74ls04应用电路图四:充电控制电路

充电状态输出引脚/CHG经反相器74LS04后与单片机的P3.2口连接,触发外部中断。PNP为P沟道的场效应管或三极管。D1为绿色发光二极管,处于通电状态时亮;D2为红色放光二极管,电源接通时亮。R1设置充电电流的电阻,阻值为2.8千欧,设置最大充电电流为500mA;C2为设置充电时间的电容,容值为100μF,设置最大充电时间为3小时。


74ls04

充电电路控制部分


74ls04应用电路五:与三极管组成的按键唤醒电路

下图是采用非门芯片(74ls04)与三极管(这里采用8050) 组成的按键唤醒电路:


74ls04


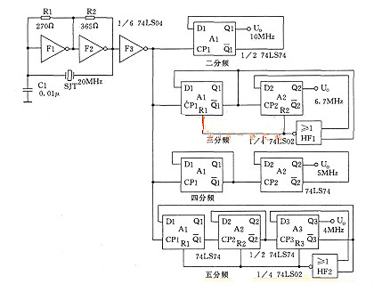
74ls04应用电路六:晶体振荡器与分频器(74ls04)电路


74ls04


74ls04与74als04的区别

74LS04与74LS14都是74系列的非门。


74LS04与74LS14他们的区别是:


1、输出:74LS04和74LS14是一样的。如果同一个公司,输出参数都是一样的。


2、输入:两者不同的是输入不一样.74LS04输入是TTL电平,74LS14输入是施密特输入(有滞回特性)。


因为输入不一样,两个芯片的应用场合也有所不同.74LS04多用于板内一般数据的“非”控制,而74LS14一般用于某些信号的整形或者异受干扰/关键信号的信号缓冲等。


大部分情况下74LS14可以替代74LS04,74ALS04和74LS04都是六反相器,74LS04是6非门IC工作电压5V。


联系方式:邹先生

联系电话:0755-83888366-8022

手机:18123972950

QQ:2880195519

联系地址:深圳市福田区车公庙天安数码城天吉大厦CD座5C1


请搜微信公众号:“KIA半导体”或扫一扫下图“关注”官方微信公众号

请“关注”官方微信公众号:提供 MOS管 技术帮助