实亿国际

实亿国际

国家高新企业

cn

新闻中心

实亿国际新洁能 NCE30H15 MOS管产品信息|PDF资料|NCE30H15封装等-KIA MOS管

实亿国际信息来源:本站 日期:2019-07-09 

分享到:

新洁能 NCE30H15 MOS管产品信息|PDF资料|NCE30H15封装等

MOS管 NCE30H15产品特征

VDS=30V,ID=150A

RDS(ON)<3.0mΩ@VGS=10V

RDS(ON)<4.0mΩ@VGS=4.5V

超低RDSON高密度电池设计

稳定性好,均匀性好

良好的散热包装

高静电放电性能的特殊工艺技术


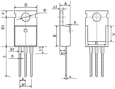
MOS管 NCE30H15封装引脚图


NCE30H15,NCE30H15参数,NCE30H15封装


NCE30H15,NCE30H15参数,NCE30H15封装


MOS管 NCE30H15参数


NCE30H15,NCE30H15参数,NCE30H15封装


NCE30H15,NCE30H15参数,NCE30H15封装


MOS管 NCE30H15应用领域

1、电源切换应用

2、硬开关和高频电路

3、不间断电源


MOS管 NCE30H15规格书

查看与下载PDF规格书,请点击下图。


NCE30H15,NCE30H15参数,NCE30H15封装


联系方式:邹先生

联系电话:0755-83888366-8022

手机:18123972950

QQ:2880195519

联系地址:深圳市福田区车公庙天安数码城天吉大厦CD座5C1


请搜微信公众号:“KIA半导体”或扫一扫下图“关注”官方微信公众号

请“关注”官方微信公众号:提供 MOS管 技术帮助







3000万彩票-追求健康,你我一起成长 乐发IV - welcome u284彩票- 欢迎您 实亿国际(中国区)官方网站 永兴集团yx06 5630彩票(中国区)官方网站 佰利乐·(中国区)有限公司官网 金彩汇 - welcome首页