实亿国际

实亿国际

国家高新企业

cn

新闻中心

HP70N80-HP70N80参数|HP70N80规格书|HP70N80封装引脚图-KIA MOS管

实亿国际信息来源:本站 日期:2019-06-24 

分享到:

HP70N80-HP70N80参数|HP70N80规格书|HP70N80封装引脚图

MOS管 HP70N80参数


HP70N80,HP70N80参数,HP70N80封装,70A/80V


HP70N80,HP70N80参数,HP70N80封装,70A/80V


HP70N80,HP70N80参数,HP70N80封装,70A/80V


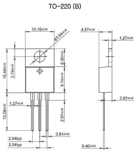
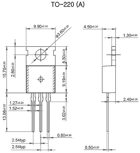
MOS管 HP70N80封装引脚图


HP70N80,HP70N80参数,HP70N80封装,70A/80V


HP70N80,HP70N80参数,HP70N80封装,70A/80V


MOS管 HP70N80规格书

查看及下载规格书,请点击下图。


HP70N80,HP70N80参数,HP70N80封装,70A/80V


联系方式:邹先生

联系电话:0755-83888366-8022

手机:18123972950

QQ:2880195519

联系地址:深圳市福田区车公庙天安数码城天吉大厦CD座5C1


请搜微信公众号:“KIA半导体”或扫一扫下图“关注”官方微信公众号

请“关注”官方微信公众号:提供 MOS管 技术帮助