实亿国际

实亿国际

国家高新企业

cn

新闻中心

MOS管检测步骤-大小功率MOS管详细分析与经验总结-KIA MOS管

实亿国际信息来源:本站 日期:2019-06-10 

分享到:

MOS管,大小功率MOS管

MOS管

MOS管,把输入电压的变化转化为输出电流的变化。FET的增益等于它的跨导, 定义为输出电流的变化和输入电压变化之比。市面上常有的一般为N沟道和P沟道,


场效应管通过投影一个电场在一个绝缘层上来影响流过晶体管的电流。事实上没有电流流过这个绝缘体,所以FET管的GATE电流非常小。最普通的FET用一薄层二氧化硅来作为GATE极下的绝缘体。这种晶体管称为金属氧化物半导体(MOS)晶体管,或,金属氧化物半导体场效应管(MOSFET)。因为MOS管更小更省电,所以他们已经在很多应用场合取代了双极型晶体管。


大小功率MOS管详细分析及总结

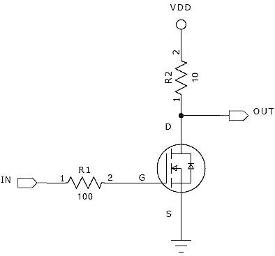
MOS管相比于三极管,开关速度快,导通电压低,电压驱动简单,所以越来越受工程师的喜欢,然而,若不当设计,哪怕是小功率MOS管,也会导致芯片烧坏,原本想着更简单的,最后变得更加复杂。这几年来一直做高频电源设计,也涉及嵌入式开发,对大小功率MOS管,都有一定的理解,所以把心中理解的经验总结一番,形成理论模型。MOS管等效电路及应用电路如下图所示:


MOS管,大小功率MOS管


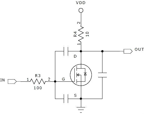
把MOS管的微观模型叠加起来,就如下图所示:


MOS管,大小功率MOS管


MOS管的输入与输出是相位相反,恰好180度,也就是等效于一个反相器,也可以理解为一个反相工作的运放,如下图:


MOS管,大小功率MOS管


下图可以一眼看出,这就是一个反相积分电路,当输入电阻较大时,开关速度比较缓慢,Cgd这颗积分电容影响不明显,但是当开关速度比较高,而且VDD供电电压比较高,比如310V下,通过Cgd的电流比较大,强的积分很容易引起振荡,这个振荡叫米勒振荡。所以Cgd也叫米勒电容,而在MOS管开关导通或者关断的那段时间,也就是积分那段时间,叫米勒平台,如下图圆圈中的那部分为米勒平台,右边的是振荡严重的米勒振荡:


MOS管,大小功率MOS管


MOS管,大小功率MOS管


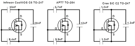
因为MOS管的反馈引入了电容,当这个电容足够大,并且前段信号变化快,后端供电电压高,三者结合起来,就会引起积分过充振荡,这个等价于温控的PID中的I模型,要想解决解决这个米勒振荡,在频率和电压不变的情况下,一般可以提高MOS管的驱动电阻,减缓开关的边沿速度,其次比较有效的方式是增加Cgs电容。在条件允许的情况下,可以在Cds之间并上低内阻抗冲击的小电容,或者用RC电路来做吸收电路。下图给出我常用的三颗大功率MOS管的电容值:LCR电桥直接测量。


MOS管,大小功率MOS管


从图上可以看出,Inifineon6代MOS管和APT7代MOS管性能远远不如碳化硅性能,它的各个指标都很小,当米勒振荡通过其他手段无法降低时,可以考虑更换更小的米勒电容MOS管,尤其需要重视Cgd要尽可能的小于Cgs。


MOS管的检测

在修理电视机及电器设备时,会遇到各种元器件的损坏,MOS管也在其中,这就是我们的维修人员如何利用常用的万用表来判断MOS管的好坏、优劣。在更换MOS管是如果没有相同厂家及相同型号时,如何代换的问题。


作为一般的电器电视机维修人员在测量晶体三极管或二极管时,一般是采用普通的万用表来判断三极管或者二极管的好坏,虽然对所判断的三极管或二极管的电气参数没法确认,但是只要方法正确对于确认晶体三极管的“好”与“坏”还是没有问题的。同样MOS管也可以应用万用表来判断其“好”与“坏”,从一般的维修来说,也可以满足需求了。


检测必须采用指针式万用表(数字表是不适宜测量半导体器件的)。对于大功率MOS管开关管都属N沟道增强型,各生产厂的产品也几乎都采用相同的TO-220F封装形式(指用于开关电源中功率为50—200W的场效应开关管),其三个电极排列也一致,即将三只引脚向下,打印型号面向自巳,左侧引脚为栅极,右测引脚为源极,中间引脚为漏极如下图所示。


MOS管,大小功率MOS管


MOS管测试步骤

把红表笔接到MOS管的源极S;把黑表笔接到MOS管的漏极D,此时表针指示应该为无穷大,如图5-3所示。如果有欧姆指数,说明被测管有漏电现象,此管不能用。


MOS管,大小功率MOS管


保持上述状态;此时用一只100K~200K电阻连接于栅极和漏极,如图5-4所示;这时表针指示欧姆数应该越小越好,一般能指示到0欧姆,这时是正电荷通过100K电阻对大功率MOS管栅极充电,产生栅极电场,由于电场产生导致导电沟道致使漏极和源极导通,所以万用表指针偏转,偏转的角度大(欧姆指数小)证明放电性能好。


MOS管,大小功率MOS管


此时在图5-4的状态;再把连接的电阻移开,这时万用表的指针仍然应该是MOS管导通的指数不变,如图5-5所示。虽然电阻拿开,但是因为电阻对栅极所充的电荷并没有消失,栅极电场继续维持,内部导电沟道仍然保持,这就是绝缘栅型MOS管的特点。如果电阻拿开表针会慢慢的逐步的退回到高阻甚至退回到无穷大,要考虑该被测管栅极漏电。


MOS管,大小功率MOS管


这时用一根导线,连接被测管的栅极和源极,万用表的指针立即返回到无穷大,如图5-6所示。导线的连接使被测MOS管,栅极电荷释放,内部电场消失;导电沟道也消失,所以漏极和源极之间电阻又变成无穷大。


MOS管,大小功率MOS管


联系方式:邹先生

联系电话:0755-83888366-8022

手机:18123972950

QQ:2880195519

联系地址:深圳市福田区车公庙天安数码城天吉大厦CD座5C1


请搜微信公众号:“KIA半导体”或扫一扫下图“关注”官方微信公众号

请“关注”官方微信公众号:提供 MOS管 技术帮助