实亿国际

实亿国际

国家高新企业

cn

新闻中心

三极管工作状态-三极管开关电路工作原理-三极管开关作用-KIA MOS管

实亿国际信息来源:本站 日期:2019-06-06 

分享到:

三极管,三极管开关

三极管

三极管,全称应为半导体三极管,也称双极型晶体管、晶体三极管,是一种控制电流的半导体器件。其作用是把微弱信号放大成幅度值较大的电信号,也用作无触点开关。


三极管是半导体基本元器件之一,具有电流放大作用,是电子电路的核心元件。三极管是在一块半导体基片上制作两个相距很近的PN结,两个PN结把整块半导体分成三部分,中间部分是基区,两侧部分是发射区和集电区,排列方式有PNP和NPN两种。


三极管-工作状态

(一)截止状态

当加在三极管发射结的电压小于PN结的导通电压,基极电流为零,集电极电流和发射极电流都为零,三极管这时失去了电流放大作用,集电极和发射极之间相当于开关的断开状态,我们称三极管处于截止状态。


(二)放大状态

当加在三极管发射结的电压大于PN结的导通电压,并处于某一恰当的值时,三极管的发射结正向偏置,集电结反向偏置,这时基极电流对集电极电流起着控制作用,使三极管具有电流放大作用,其电流放大倍数β=ΔIc/ΔIb,这时三极管处放大状态。


(三)饱和导通

当加在三极管发射结的电压大于PN结的导通电压,并当基极电流增大到一定程度时,集电极电流不再随着基极电流的增大而增大,而是处于某一定值附近不怎么变化,这时三极管失去电流放大作用,集电极与发射极之间的电压很小,集电极和发射极之间相当于开关的导通状态。三极管的这种状态我们称之为饱和导通状态。


三极管开关电路工作原理解析

下面是三极管开关电路工作原理,图一所示是NPN三极管的 共射极电路,图二所示是它的特性曲线图,图中它有3 种工作区域:截止区(Cutoff Region)、线性区 (Active Region) 、饱和区(Saturation Region)。三极管是以B 极电流IB 作为输入,操控整个三极管的工作状态。


若三极管是在截止区,IB 趋近于0 (VBE 亦趋近于0),C 极与E 极间约呈断路状态,IC=0,VCE=VCC。若三极管是在线性区,B-E 接面为顺向偏压,B-C 接面为逆向偏压,IB 的值适中(VBE=0.7V),  IC=hFEIB呈比例放大,Vce=Vcc-RcIc=Vcc-Rc  hFE IB可被IB操控。


若三极管在饱和区,IB很大,VBE=0.8V,VCE=0.2V,VBC=0.6V,B-C与B-E两接面均为正向偏压,C-E间等同于一个带有0.2V电位落差的通路,可得Ic=( Vcc-0.2)/ Rc,Ic与IB无关了,因此时的IB大过线性放大区的IB值,Ic<hFE IB是必然的。三极管在截止态时C-E间如同断路,在饱和态时C-E 间如同通路 (带有0.2V电位降),因此可以作为开关。控制此开关的是 IB,也可以用VBB作为控制的输入讯号。图三、四分别显示三极管开关的通路、断路状态,及其对应的等效电路。


三极管,三极管开关

图1 NPN 三极管共射极电路


三极管,三极管开关

图2 共射极电路输出特性曲


三极管,三极管开关

图3 截止态如同断路线图


三极管,三极管开关

图4 饱和态如同通路


三极管开关的作用

三极管开关的作用详解,简单三极管开关:电路如图5,电阻RC是LED限流用电阻,以防止电压过高烧坏LED(发光二极管),将输入信号 VIN 从0 调到最大 (等分为约20 个间隔),观察并记录对的 VOUT 以及LED 的亮度。当三极管开关为断路时,VOUT =VCC =12 V,LED 不亮。当三极管开关通路时,VOUT  = 0.2V ,LED 会亮。


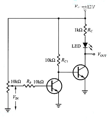
改良三极管开关:因为三极管由截止区过度到饱和区需经过线性区,开关的效果不会有明确的界线。为使三极管开关的效果明确,可串接两三极管,电路如图六。同样将输入信号 VIN 从0 调到最大 (等分为约20 个间隔),观察并记录对应的VOUT 以及LED 的亮度。


三极管,三极管开关

图5 简单开关三极管电路图


三极管,三极管开关

图6 改良三极管开关电路-达林顿电路图


以上可以看出几乎任何一种型号三极管都可一做为电子开关来使用,如果条件允许也可用来控制加热设备。


三极管开关基本原理图


三极管,三极管开关


1.基极必须串接电阻,保护基极,保护CPU的IO口。


2.基极根据PNP或者NPN管子加上拉电阻或者下拉电阻。


3.集电极电阻阻值根据驱动电流实际情况调整。同样基极电阻也可以根据实际情况调整。


基极和发射极需要串接电阻,该电阻的作用是在输入呈高阻态时使晶体管可靠截止,极小值是在前级驱动使晶体管饱和时与基极限流电阻分压后能够满足晶体管的临界饱和,实际选择时会大大高于这个极小值,通常外接干扰越小、负载越重准许的阻值就越大,通常采用10K量级。


防止三极管受噪声信号的影响而产生误动作,使晶体管截止更可靠。三极管的基极不能出现悬空,当输入信号不确定时(如输入信号为高阻态时),加下拉电阻,就能使有效接地。



联系方式:邹先生

联系电话:0755-83888366-8022

手机:18123972950

QQ:2880195519

联系地址:深圳市福田区车公庙天安数码城天吉大厦CD座5C1


请搜微信公众号:“KIA半导体”或扫一扫下图“关注”官方微信公众号

请“关注”官方微信公众号:提供 MOS管 技术帮助