实亿国际

实亿国际

国家高新企业

cn

新闻中心

实亿国际功率MOS管驱动电路图文分析与功率MOS管保护电路设计解析-KIA MOS管

信息来源:本站 日期:2019-04-26 

分享到:

功率MOS管,保护电路

功率MOS概述与工作原理

功率MOS场效应晶体管,即MOSFET,其原意是:MOS(Metal Oxide Semiconductor金属氧化物半导体),FET(Field Effect Transistor场效应晶体管),即以金属层(M)的栅极隔着氧化层(O)利用电场的效应来控制半导体(S)的场效应晶体管。


功率MOS管,保护电路

N沟道增强型小功率MOS管的结构示意图


功率mos的工作原理为:截止:漏源极间加正电源,栅源极间电压为零。P基区与N漂移区之间形成的PN结J1反偏,漏源极之间无电流流过。


导电:在栅源极间加正电压UGS,栅极是绝缘的,所以不会有栅极电流流过。但栅极的正电压会将其下面P区中的空穴推开,而将P区中的少子—电子吸引到栅极下面的P区表面。当UGS大于UT(开启电压或阈值电压)时,栅极下P区表面的电子浓度将超过空穴浓度,使P型半导体反型成N型而成为反型层,该反型层形成N沟道而使PN结J1消失,漏极和源极导电。


功率MOS管保护电路设计

功率MOS管自身拥有众多优点,但是MOS管具有较脆弱的承受短时过载能力,特别是在高频的应用场合,所以在应用功率MOS管对必须为其设计合理的保护电路来提高器件的可靠性,MOS管作用是什么

功率MOS管保护电路主要有以下几个方面:


1)防止栅极 di/dt过高:由于采用驱动芯片,其输出阻抗较低,直接驱动功率管会引起驱动的功率管快速的开通和关断,有可能造成功率管漏源极间的电压震荡,或者有可能造成功率管遭受过高的di/dt而引起误导通。为避免上述现象的发生,通常在MOS驱动器的输出与MOS管的栅极之间串联一个电阻,电阻的大小一般选取几十欧姆。


2)防止栅源极间过电压 由于栅极与源极的阻抗很高,漏极与源极间的电压突变会通过极间电容耦合到栅极而产生相当高的栅源尖峰电压,此电压会使很薄的栅源氧化层击穿,同时栅极很容易积累电荷也会使栅源氧化层击穿,所以要在MOS管栅极并联稳压管以限制栅极电压在稳压管稳压值以下,保护MOS管不被击穿,MOS管栅极并联电阻是为了释放栅极电荷,不让电荷积累。


3)防护漏源极之间过电压 虽然漏源击穿电压VDS一般都很大,但如果漏源极不加保护电路,同样有可能因为器件开关瞬间电流的突变而产生漏极尖峰电压,进而损坏MOS管,功率管开关速度越快,产生的过电压也就越高。为了防止器件损坏,通常采用齐纳二极管钳位和RC缓冲电路等保护措施。


功率MOS管,保护电路


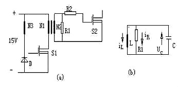
当电流过大或者发生短路时,功率MOS管漏极与源极之间的电流会迅速增加并超过额定值,必须在过流极限值所规定的时间内关断功率MOS管,否则器件将被烧坏,因此在主回路增加电流采样保护电路,当电流到达一定值,通过保护电路关闭驱动电路来 保护MOS管。图1是MOS管的保护电路,由此可以清楚的看出保护电路的功能。


功率MOSFET的正向导通等效电路

(1):等效电路

(2):说明

功率 MOSFET 正向导通时可用一电阻等效,该电阻与温度有关,温度升高,该电阻变大;它还与门极驱动电压的大小有关,驱动电压升高,该电阻变小。详细的关系曲线可从制造商的手册中获得。


功率MOSFET的反向导通等效电路

(1):等效电路(门极不加控制)

(2):说明

即内部二极管的等效电路,可用一电压降等效,此二极管为MOSFET 的体二极管,多数情况下,因其特性很差,要避免使用。


功率MOSFET的反向导通等效电路

(1):等效电路(门极加控制)

(2):说明

功率 MOSFET 在门级控制下的反向导通,也可用一电阻等效,该电阻与温度有关,温度升高,该电阻变大;它还与门极驱动电压的大小有关,驱动电压升高,该电阻变小。详细的关系曲线可从制造商的手册中获得。此工作状态称为MOSFET 的同步整流工作,是低压大电流输出开关电源中非常重要的一种工作状态。


功率MOSFET的正向截止等效电路

(1):等效电路

(2):说明

功率 MOSFET 正向截止时可用一电容等效,其容量与所加的正向电压、环境温度等有关,大小可从制造商的手册中获得。


功率MOSFET的稳态特性总结

(1):功率MOSFET 稳态时的电流/电压曲线

(2):说明

功率 MOSFET 正向饱和导通时的稳态工作点

当门极不加控制时,其反向导通的稳态工作点同二极管。


(3):稳态特性总结

-- 门极与源极间的电压Vgs 控制器件的导通状态;当VgsVth时,器件处于导通状态;器件的通态电阻与Vgs有关,Vgs大,通态电阻小;多数器件的Vgs为 12V-15V ,额定值为+-30V;


-- 器件的漏极电流额定是用它的有效值或平均值来标称的;只要实际的漏极电流有效值没有超过其额定值,保证散热没问题,则器件就是安全的;


-- 器件的通态电阻呈正温度系数,故原理上很容易并联扩容,但实际并联时,还要考虑驱动的对称性和动态均流问题;


-- 目前的 Logic-Level的功率 MOSFET,其Vgs只要 5V,便可保证漏源通态电阻很小;


-- 器件的同步整流工作状态已变得愈来愈广泛,原因是它的通态电阻非常小(目前最小的为2-4 毫欧),在低压大电流输出的DC/DC 中已是最关键的器件;


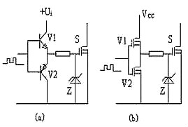
常见功率MOS管驱动电路分析
一. 不隔离的互补功率mos驱动电路

图2(a)为常用的小功率驱动电路,简单可靠成本低。适用于不要求隔离的小功率开关设备。图2(b)所示驱动电路开关速度很快,驱动能力强,为防止两个MOSFET管直通,通常串接一个0.5~1Ω小电阻用于限流,该电路适用于不要求隔离的中功率开关设备。这两种电路特点是结构简单。


功率MOS管,保护电路

图2 常用的不隔离的互补驱动电路


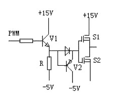
功率mos属于电压型控制器件,只要栅极和源极之间施加的电压超过其阀值电压就会导通。由于MOSFET存在结电容,关断时其漏源两端电压的突然上升将会通过结电容在栅源两端产生干扰电压。常用的互补驱动电路的关断回路阻抗小,关断速度较快,但它不能提供负压,故抗干扰性较差。为了提高电路的抗干扰性,可在此种驱动电路的基础上增加一级有V1、V2、R组成的电路,产生一个负压,电路原理图如图3所示。


功率MOS管,保护电路

图3 提供负压的互补电路


当V1导通时,V2关断,两个MOSFET中的上管的栅、源极放电,下管的栅、源极充电,即上管关断,下管导通,则被驱动的功率管关断;反之V1关断时,V2导通,上管导通,下管关断,使驱动的管子导通。因为上下两个管子的栅、源极通过不同的回路充放电,包含有V2的回路,由于V2会不断退出饱和直至关断,所以对于S1而言导通比关断要慢,对于S2而言导通比关断要快,所以两管发热程度也不完全一样,S1比S2发热严重。


该驱动电路的缺点是需要双电源,且由于R的取值不能过大,否则会使V1深度饱和,影响关断速度,所以R上会有一定的损耗。


二. 隔离的功率mos驱动电路

(1)正激式驱动电路。电路原理如图(a)所示,N3为去磁绕组,S2为所驱动的功率管。R2为防止功率管栅极、源极端电压振荡的一个阻尼电阻。因不要求漏感较小,且从速度方面考虑,一般R2较小,故在分析中忽略不计。


功率MOS管,保护电路

图4正激驱动电路


其等效电路图如图4(b)所示脉冲不要求的副边并联一电阻R1,它做为正激变换器的假负载,用于消除关断期间输出电压发生振荡而误导通。同时它还可以作为功率MOSFET关断时的能量泄放回路。该驱动电路的导通速度主要与被驱动的S2栅极、源极等效输入电容的大小、S1的驱动信号的速度以及S1所能提供的电流大小有关。由仿真及分析可知,占空比D越小、R1越大、L越大,磁化电流越小,U1值越小,关断速度越慢。


该电路具有以下优点:①电路结构简单可靠,实现了隔离驱动。 ②只需单电源即可提供导通时的正、关断时负压。 ③占空比固定时,通过合理的参数设计,此驱动电路也具有较快的开关速度。


该电路存在的缺点:一是由于隔离变压器副边需要噎嗝假负载防振荡,故电路损耗较大;二是当占空比变化时关断速度变化较大。脉宽较窄时,由于是储存的能量减少导致MOSFET栅极的关断速度变慢。


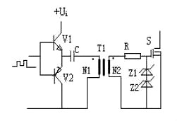
(2)有隔离变压器的互补驱动电路。如图5所示,V1、V2为互补工作,电容C起隔离直流的作用,T1为高频、高磁率的磁环或磁罐。


功率MOS管,保护电路

图5 有隔离变压器的互补驱动电路


导通时隔离变压器上的电压为(1-D)Ui、关断时为D Ui,若主功率管S可靠导通电压为12V,而隔离变压器原副边匝比N1/N2为12/[(1-D)Ui]。为保证导通期间GS电压稳定C值可稍取大些。该电路具有以下优点:


①电路结构简单可靠,具有电气隔离作用。当脉宽变化时,驱动的关断能力不会随着变化。


②该电路只需一个电源,即为单电源工作。隔直电容C的作用可以在关断所驱动的管子时提供一个负压,从而加速了功率管的关断,且有较高的抗干扰能力。


但该电路存在的一个较大缺点是输出电压的幅值会随着占空比的变化而变化。当D较小时,负向电压小,该电路的抗干扰性变差,且正向电压较高,应该注意使其幅值不超过MOSFET栅极的允许电压。当D大于0.5时驱动电压正向电压小于其负向电压,此时应该注意使其负电压值不超过MOAFET栅极允许电压。所以该电路比较适用于占空比固定或占空比变化范围不大以及占空比小于0.5的场合。


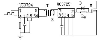
(3)集成芯片UC3724/3725构成的驱动电路

功率mos电路构成如图6所示。其中UC3724用来产生高频载波信号,载波频率由电容CT和电阻RT决定。一般载波频率小于600kHz,4脚和6脚两端产生高频调制波,经高频小磁环变压器隔离后送到UC3725芯片7、8两脚经UC3725进行调制后得到驱动信号,UC3725内部有一肖特基整流桥同时将7、8脚的高频调制波整流成一直流电压供驱动所需功率。


一般来说载波频率越高驱动延时越小,但太高抗干扰变差;隔离变压器磁化电感越大磁化电流越小,UC3724发热越少,但太大使匝数增多导致寄生参数影响变大,同样会使抗干扰能力降低。根据实验数据得出:对于开关频率小于100kHz的信号一般取(400~500)kHz载波频率较好,变压器选用较高磁导如5K、7K等高频环形磁芯,其原边磁化电感小于约1毫亨左右为好。


这种驱动电路仅适合于信号频率小于100kHz的场合,因信号频率相对载波频率太高的话,相对延时太多,且所需驱动功率增大,UC3724和UC3725芯片发热温升较高,故100kHz以上开关频率仅对较小极电容的MOSFET才可以。对于1kVA左右开关频率小于100kHz的场合,它是一种良好的驱动电路。该电路具有以下特点:单电源工作,控制信号与驱动实现隔离,结构简单尺寸较小,尤其适用于占空比变化不确定或信号频率也变化的场合。


功率MOS管,保护电路

图6 集成芯片UC3724/3725构成的驱动电路


联系方式:邹先生

联系电话:0755-83888366-8022

手机:18123972950

QQ:2880195519

联系地址:深圳市福田区车公庙天安数码城天吉大厦CD座5C1


请搜微信公众号:“KIA半导体”或扫一扫下图“关注”官方微信公众号

请“关注”官方微信公众号:提供 MOS管 技术帮助