实亿国际

实亿国际

国家高新企业

cn

新闻中心

实亿国际KNX4665B MOS管现货原厂 KNX4665B 7A/650V PDF资料-KIA MOS管

实亿国际信息来源:本站 日期:2018-09-20 

分享到:

KNX4665B产品特征

1、ROHS兼容

2、RDS(ON),类型=1.1Ω@VGS=10V

3、低门电荷减小开关损耗

4、快速恢复体二极管

KNX4665B产品主要参数

产品型号:KNX4665B

工作方式:7A/650V

漏至源电压:650V

门到源电压:±30V

单脉冲雪崩能:400MJ

功耗:75/42W

操作和储存温度范围:-55至150℃

KNX4665B标准封装

KNX4665B 7A/650V

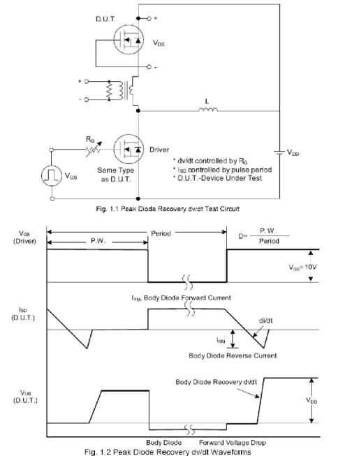
KNX4665B电路图

KNX4665B 7A/650V KNX4665B 7A/650V  KNX4665B 7A/650V

KNX4665B 7A/650V KNX4665B 7A/650V

KNX4665B产品附件

以下为KNX4665B产品PDF格式的产品详细资料,查看详情请点击下图。

KNX4665B 7A/650V



联系方式:邹先生

联系电话:0755-83888366-8022

手机:18123972950

QQ:2880195519

联系地址:深圳市福田区车公庙天安数码城天吉大厦CD座5C1


请搜微信公众号:“KIA半导体”或扫一扫下图“关注”官方微信公众号

请“关注”官方微信公众号:提供 MOS管 技术帮助