场效应管功放电路-场效应管功放自制电路图工作原理详解-KIA MOS管
实亿国际信息来源:本站 日期:2018-08-06
场效应管具有输入阻抗高、频率特性好、稳定性好(无二次击穿现象)
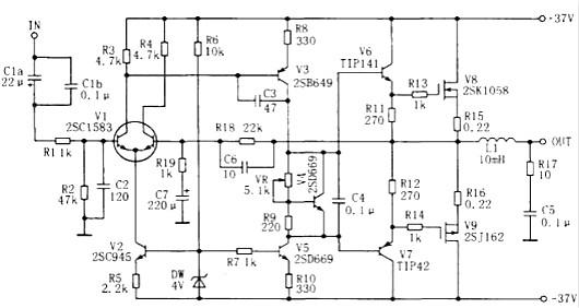
场效应管功放电路 自制的场效应功放电路图

低噪声、低失真等特点,已被广泛地应用在音响电路中,用VMOS功率场效应管制成的功放,音色优美,音色比双极型晶体管功放暖,与电子管功放相似,失真小且制作容易,因此很受音响爱好者的喜爱。[]能拥有自制的高品质功放更是很多发烧友的梦想,因为自己动手制作功放。
下面介绍一款简洁易制的场效应管功放电路。
如图所示(图中只画出一个声道)。为减小失真,输入级采用差动放大电路。V1用对管2SC1583,稳定性和对称性好;V2接成恒流源,为本级提供稳定的静态工作电流,采用恒流源作差动放大器的射极电阻,可提高差动放大器的共模抑制比和动态范围,从而进一步改善失真。c1为输入耦合电容,R1、c2构成低通滤波器,阻止前级的超音频干扰信号窜入功放;R2决定了功放的输入阻抗。合形式,是从成本上考虑的。若全用场效应管,效果更好。
各管的射(阴)极都加有本级电流负反馈电阻,起稳定静态工作点的作用。有利于改善失真。整机负反馈则由R18、R19、C6、C7组成,总增益约为26.8dB。C7是隔直电容,使前后级形成直流全负反馈,保证输出中点静态零电位。
c3、c6是为了抑制高频自激振荡而设置。放大器的电压增益大部分由V3获得,而c3可产生高频负反馈,降低放大器的高频增益,破坏高频自激的幅度条件。但c3又使高频相位 更加滞后,所以在反馈回路中加入C6,进行相位超前补偿,破坏高频自激的相位条件。
C5、R17组成相移校正电路,使负载近于纯电阻。防止高频自激。由于扬声器阻抗中的电感分量在高频时明显增加,使放大器的负载呈电感性,引起输电流滞后于输m电 压。若放大器的高频增益较高,还容易产生高频自激振荡。
R13、R14串接在栅极是防止VMOS管产生高频自激。(]由于栅极的高阻抗,加上接线及分布电容、电感和栅极分布电容的影响,VMOS管在工作中可会出现高频自激振荡。解决V3为第二级电压放大管,V5接成恒流源,为本级提供稳的静态工作电流和高的负载阻抗,由于V5的存在,v3的压增益大为提高,这样,就不必用自举电路。
V4、VR和R9接在V3、V5集电极之间构成Vbe扩大电,调节VR可改变末级大功率管的静态工作电流。V4还起度补偿作用,当功率管的温度升高时,V4的发射结压降小,于是V4的集电极一发射极电压也降低,从而降低了功管的静态电流,作用与二极管相似,但比二极管更灵,安装时应与功率管一起装在散热器上,电气上要绝。
V6一V9等组成输出级,采用双极型晶体管与场效应管混的办法是加入阻尼电阻,即在栅极串接一只电阻(一般不超过1kQ)。
本文介绍了一款采用场效应管做前级放大制作的功率放大器,音响效果很理想。()由于该功放的后级电路是一个直流耦合的电路,各级工作点的选择,尤其第一级场效应管的工作点的选择,将对电路的性能有较大的影响,因此本文着重叙述电路参数的计算及调试。
1.电路原理
场效应管功放电路 用场效应管构成的功放电路图

电路主要由两级差动放大及三级射极跟随电路组成,如图1所示。N沟道场效应管VT1、VT2构成第一级共源差动放大器,而VT3、VT4分别又与VT1、VT2构成共栅共源电路。众所周知差动放大器具有共模抑制比高、失调和漂移小的优良性能。而在共栅共源电路中,后级的输入电阻就是前级的负载电阻,由于共栅电路的输入电阻较小,使前级共源极的电压增益变小,但组合电路的电压增益主要由共栅极决定,输出电阻则主要由共栅极决定。因为前级共源极的电压增益变小,所以特别适宜于高频工作。R3、VT5、R4构成1mA的恒流源,此电流在VD3、R7上产生22V的电压,从而使VT3、VT4的栅极电压稳定在22V。由于栅源极间电压很小,VT3、VT4.的源极电压即VT1、VT2的漏源电压就稳定在22V。VT3、VT4的漏源电压也稳定在约22V。对直流而言VT3、VT4的栅极电位为22V,对交流而言VT3、VT4的栅极电位为0V,因此为共栅电路。R11、VT6构成第一级差动电路的恒流源,其作用是提高交流阻抗,提高共模抑制比。R5、C2是相位补偿元件,用于防止高频振荡。 VT8、VT9构成第二级差动电路,VT7为其恒流源。VT0、VT11为比例式镜像恒流源电路,VT11的集电极电流与VT10电流之比等于R22/R23,由于R22=R23,因此差动电流两臂的电流是相等的。
VT12、VT13为末三级射极跟随电路提供合适的工作电流点。
在输入信号为正时,R29、R30的中点以及输出O点电位为正,因此均可作为VT1、VT2差动级的负反馈电压。R38、C9构成低通滤波器,角频率为1Hz时增益即下降到1/根号2。集成电路TL072构成输出点直流稳零跟随器,其输出Uo与其输入Ui的关系为Uo=Ui+1/T∫Uidt,即Uo为Ui的比例积分,Uo作用于VT1、VT2差动级负反馈,能使O点直流电位为士10mV以下。在开环增益足够大的情况下,整个后级电路的闭环电压增益等于R14/R12。
根据偏置电路形式,场效应管放大电路的直流通路分为自给偏压电路和分压式偏置电路。
用N沟道结型场效应管组成的自给偏压电路如图Z0217所示。
自给偏压原理:在正常工作范围内,场效应管的栅极几乎不取电流,IG= 0,所以,UG = 0,当有IS = ID流过RS时,
必然会产生一个电压Us=IsRs=IdRs,从而有
UGS = UG- US= - IDRS
依靠场效应管自身的电流ID 产生了栅极所需的负偏压,故称为自给偏压。
为了减小RS对放大倍数的影响,在RS 两端并联了一个旁路电容 Cs。
估算静态工作点,由图Z0217所示电路的直流通路可得:
UGS = UG- US= - IDRSGS0223
UDS = ED - ID(RS + Rd) GS0224
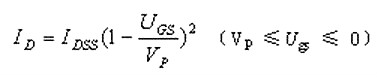
结型场效应管的转移特性可近似表示为:

式中IDSS为饱和漏电流,VP为夹断电压。
联立求解GS0223~GS0225各式,便可求得静态工作点Q(ID,UGS,UDS)。
由于参数IDSS ,VP 等与温度有关,因此,场效应管放大电路也要设法稳定静态工作点。
实际上,自给偏压电路就具有一定的稳定Q点的能力。例如:温度升高使ID增加时,US也随之增加,从而使UGS 更负,反过来又抑制了ID的增大。但如果对温度稳定性要求更高时,单纯靠增大RS来稳定Q点,势必会导致Au下降,甚至产生严重的非线性失真。图Z0218所示的分压式偏置电路,通过R1与R2分压,给栅极一个固定的IE电压,这样就可以把RS选的比较大,而Q点又不致于过低。图中Rg的主要作用是增大输入电阻,进一步减小栅极电流。
对分压式偏置电路,在确定静悉工作点时,同样可用图解法和计算法。与自给偏压电路不同之处是UG≠0。只需将栅源回路直流负载线方程改为:
联系方式:邹先生
联系电话:0755-83888366-8022
手机:18123972950
QQ:2880195519
联系地址:深圳市福田区车公庙天安数码城天吉大厦CD座5C1
请搜微信公众号:“KIA半导体”或扫一扫下图“关注”官方微信公众号
请“关注”官方微信公众号:提供 MOS管 技术帮助